
PLC
(Programmable Logic Controller)
Đi u khi n Logic L p trình đ cề ể ậ ượ
H ng d n: Quách Thành Vinhướ ẫ
H ng d n: Quách Thành Vinhướ ẫ

2
M đ uở ầ
•Gi i thi u chung v PLCớ ệ ề
–Khái ni m PLCệ
–Đ c đi m c a PLCặ ể ủ
–ng d ng c a PLCỨ ụ ủ
•Gi i thi u v môn h cớ ệ ề ọ
•C u trúc c a PLCấ ủ

3
Gi i thi u chung v PLCớ ệ ề
•Đi u khi n băng chuy n và đóng gói s n ph m:ề ể ề ả ẩ
–Băng chuy n ch y khi có s n ph mề ạ ả ẩ
–Đóng gói 20 s n ph m vào m t thùng ả ẩ ộ
–Sau khi đóng gói thì dán nhãn s n ph m vào thùngả ẩ
•Gi i pháp:ả
–Th côngủ
–T đ ng:ự ộ
• dùng PLC
• dùng vi đi u khi nề ể
•dùng máy tính

4
Gi i thi u chung v PLC:ớ ệ ề
Đ nh nghĩa PLCị
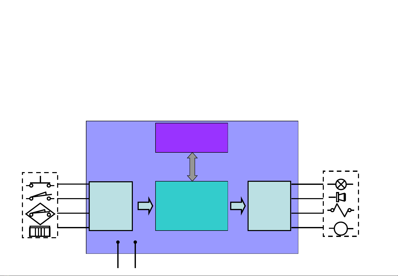
•PLC là gì?
»Thi t b ế ị đi u khi nề ể logic l p trình đ cậ ượ là thi t b đi u khi n ế ị ề ể
d a trên b vi x lý, nó thu nh n tín hi u vào và x lý các tín ự ộ ử ậ ệ ử
hi u này d a trên ch ng trình l u tr trong b nh và đ a ra ệ ự ươ ư ữ ộ ớ ư
các tín hi u đi u khi n các thi t b bên ngoài.ệ ề ể ế ị
PLC B nh l u trộ ớ ư ữ
ch ng trìnhươ
Giao
di nệ
vào
(INPUT)
Vi x lýử
Vi x lýử
Giao
di nệ
ra
(OUTPUT)
M
C
8 8 8
Ngu n AC100~220Vồ

5
Gi i thi u chung v PLC:ớ ệ ề
Ho t đ ng c a PLCạ ộ ủ
C p đi nấ ệ
cho PLC
Kh i t oở ạ Ki m traể
n i bộ ộ
Th c ự
hi n ệ
ch ng ươ
trình
X lý ử
th i gian ờ
quét
C p ậ
nh t các ậ
đ u ầ
vào,ra
Ph c v ụ ụ
yêu c u ầ
t c ng ừ ổ
ngo i viạ
•Ho t đ ng c a PLCạ ộ ủ :
•Hình trên là l u đ ho t đ ng c a PLC,trong đó hai ph n quan tr ng nh t là th c hi n ư ồ ạ ộ ủ ầ ọ ấ ự ệ
ch ng trình và c p nh t đ u vào ra.Quá trình này đ c th c hi n liên t c không ng ng ườ ậ ậ ầ ượ ự ệ ụ ừ
theo m t vòng kín g i là scan hay là cycle ho c sweep.ph n th c hi n ch ng trình g i là ộ ọ ặ ầ ự ệ ươ ọ
program scan.

