
ĐẠI HỌC SƯ PHẠM KỸ THUẬT TP.HCM Hệ thống điều hòa không khí trên ô tô
ThS. Nguyễn Văn Long Giang
30
CHƯƠNG III
ĐIỀU KHIỂN CỦA HỆ THỐNG
ĐIỀU HÒA KHÔNG KHÍ TRÊN Ô TÔ
I. Bộ điều khiển nhiệt độ.
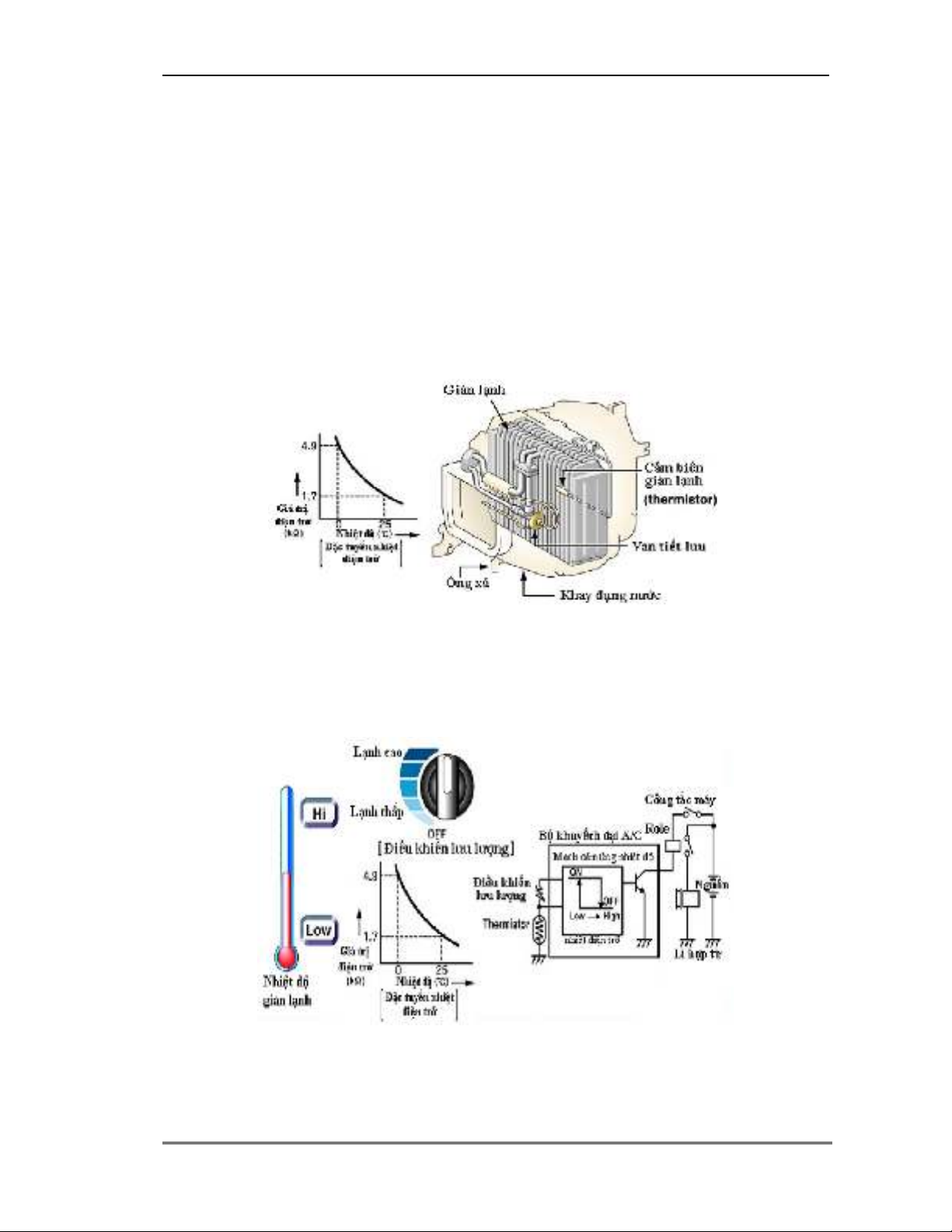
1. Kiểu điện trở, nhiệt điện trở.
Cụm sưởi và cụm làm lạnh độc lập nhau. Loại thermistor được sử dụng khi hỗn
hợp không khí thay đổi. Thermistor được làm từ chất bán dẫn đặc trưng bởi sự thay
đổi điện trở theo nhiệt độ. Điện trở tăng khi nhiệt độ giảm, và điện trở giảm khi nhiệt
độ tăng. Nhiệt điện trở được đặt ở phía sau giàn lạnh, để cảm ứng nhiệt độ của gió sau
khi đi qua giàn lạnh.
Hình 4.1: Kiểu điện trở
Hệ thống điều hòa không khí ô tô dùng loại nhiệt điện trở còn có một biến trở
gắn trên bảng điều khiển. biến trở này dùng để điều chỉnh nhiệt độ trong xe. Tín hiệu
điều khiển nhiệt độ được lấy từ cần phân áp gồm giá trị điện trở của biến trở và giá trị
nhiệt điện trở.
Hình 4.2: Kiểu nhiệt điện trở
Khi nhiệt độ không khí trong xe tăng lên, cảm ứng lên nhiệt điện trở (giá trị
điện trở nhỏ), hoặc chuyển nhiệt độ tới vị trí cài đặt cao (giá trị điện trở lớn) làm giảm
điện áp rơi trên mạch cảm ứng nhiệt độ của bộ khuếch đại. Mạch cảm ứng trong bộ

ĐẠI HỌC SƯ PHẠM KỸ THUẬT TP.HCM Hệ thống điều hòa không khí trên ô tô
ThS. Nguyễn Văn Long Giang
31
khuếch đại nhận biết mạch điều hòa không khí đang ở trạng thái ON, làm cho
transistor mở ra. Điều này cho phép rơ le ly hợp từ đóng mạch và máy nén hoạt động,
bắt đầu quá trình làm lạnh.
Hình 4.3: Kiểu nhiệt điện trở (khi nhiệt độ cao)
Khi nhiệt độ bên trong xe giảm, điện trở của thermistor tăng (giá trị điện trở
lớn), hoặc khi chuyển nhiệt độ cài đặt tới vị trí lạnh ít (giá trị điện trở lớn) làm tăng
điện áp rơi trên mạch cảm ứng nhiệt độ trong bộ khuếch đại của hệ thống điều hòa
không khí. Mạch cảm ứng nhiệt độ trong bộ khuếch đại nhận biết được trạng thái
OFF của hệ thống điều hòa không khí, làm cho transistor đóng lại. Điều này làm cho
rơ le của ly hợp từ không đóng mạch, và máy nén không hoạt động, ngừng quá trình
làm lạnh.
Hình 4.4: Kiểu nhiệt điện trở (khi nhiệt độ thấp)
2. Loại Thermostat.
Thermostat gồm một đầu cảm ứng nhiệt , màng và công t ắc. Bên trong đầu
cảm ứng nhiệt có chứa đầy môi chất. Đầu cảm ứng nhiệt đặt tại lối ra của giàn lạnh.
Khi nhiệt độ bay hơi thấp thì áp suất trong bầu cảm ứng giảm. Công t ắc được ngắt
nhờ màng. Điều này làm cho ly hợp từ bị ngắt, từ đó điều chỉnh được nhiệt độ ra.

ĐẠI HỌC SƯ PHẠM KỸ THUẬT TP.HCM Hệ thống điều hòa không khí trên ô tô
ThS. Nguyễn Văn Long Giang
32
Hình 4.5: Loại thermostat (nhiệt độ giàn lạnh thấp)
Hình 4.6: Loại thermostat (nhiệt độ giàn lạnh cao)
II. Bộ điều khiển tốc độ quạt.
Lưu lượng gió được điều chỉnh bởi sự thay đổi tốc độ quay của mô tơ quạt. Tốc
độ quay của mô tơ quạt phụ thuộc vào điện áp giữa hai đầu mô tơ. Trong hệ thống điều
hòa ô tô, công t ắc quạt thay đổi giá trị điện trở mắc nối tiếp với động cơ. Bằng
cách này có thể điều chỉnh tốc độ quay của mô tơ.
Hình 4.7: Bộ điều chỉnh tốc độ quạt gió
Khi công tắc quạt cài đặt ở vị trí ở vị trí Low , dòng điện chạy qua cuộn dây
của rơ le sưởi và làm cho rơ le này ở vị trí ON. Điện áp qua tiếp điểm của rơ le sưởi
của bộ sưởi ấm.

ĐẠI HỌC SƯ PHẠM KỸ THUẬT TP.HCM Hệ thống điều hòa không khí trên ô tô
ThS. Nguyễn Văn Long Giang
33
Hình 4.8: Bộ điều chỉnh tốc độ quạt gió (ở vị trí Low)
Khi bật công tắc ở vị trí Me, rơ le sưởi ở vị trí ON giống như khi ta cài đặt ở
chế độ Low. Điều này cho phép gửi điện áp tới động cơ quạt. Sau khi đi qua động cơ
quạt, dòng điện đi qua một phần qua điện trở quạt rồi ra mát. So với chế độ Low, hiệu
diện thế giữa hai đầu động cơ quạt lớn hơn. Điều này cho phép động cơ làm việc ở
chế độ trung bình.
Hình 4.9: Bộ điều chỉnh tốc độ quạt gió (ở vị trí Medium)
Khi công t ắc quạt ở vị trí High thì rơ le ở vị trí giống như ở chế độ thấp
và có điện áp đưa tới quạt. Tuy nhiên dòng điện chạy qua động cơ mà không đi qua
điện trở nào, rồi ra mát theo công tắc quạt. Điều này cho phép điện áp nguồn cấp trực
tiếp cho động cơ nên mô tơ quạt quay ở tốc độ cao.

ĐẠI HỌC SƯ PHẠM KỸ THUẬT TP.HCM Hệ thống điều hòa không khí trên ô tô
ThS. Nguyễn Văn Long Giang
34
Hình 4.10: Bộ điều chỉnh tốc độ quạt gió (ở vị trí High)
III. Bộ điều khiển tốc độ không tải (bù ga).
Khi động cơ chạy không tải, công suất của động cơ nhỏ. Bật máy nén sẽ làm
quá tải động cơ. Điều này có thể gây chết máy hoặc động cơ quá nóng, máy điều hòa
hoạt động khi xe dừng, tốc độ động cơ phải được tăng lên một cách tự động, gọi là
điều khiển tốc độ bù ga không tải.
1. Bù ga kiểu điện.
ECU điều khiển động cơ nhận tín hiệu công tắc A/C ON từ bộ khuếch đại A/C
và mở van điều chỉnh tốc độ không tải. Cả lượng không khí và nhiên liệu đều tăng
lên, giúp tăng tốc độ động cơ tới nhiệt độ thích hợp. Có hai ki ểu bù ga kiểu điện là:
Kiểu cho không khí đi tắt và kiểu dùng van điều chỉnh không tải ISCV (rpm-
Revolution per minute: Số vòng quay trên phút)
Hình 4.11: Bộ điều khiển bù ga không tải (kiểu điện)
2. Bù ga kiểu cơ.
Loại này được dùng trên động cơ điesel loại không có hộp điều khiển điện từ và
động cơ xăng sử dụng chế hòa khí. Khi hệ thống điều hòa hoạt động, van điện từ bù ga
hoạt động, áp suất chân không trong bầu chân không được dẫn tới cơ cấu chấp hành và
đẩy bướm ga. Điều này làm tăng tốc độ không tải của động cơ.

