
Trang bị động lực http://www.ebook.edu.vn trang 1
Trần Văn Luận
Lời tựa
Giáo trình “Trang bị động lực’’ được biên soạn theo đề cương giảng dạy cho
sinh viên ngành Cơ khí động lực, khoa Cơ khí Giao thông, trường đại học Bách
khoa, Đại học Đà nẵng nhằm mục đích giúp sinh viên có tài liệu tham khảo trong
học tập cũng như trong tính toán các hệ thống động lực.
Tài liệu biên soạn không thể tránh khỏi thiếu sót trên mọi phương diện, rất
mong nhận được ý kiến đóng góp của các độc giả để tài liệu hoàn chỉnh hơn. Mọi ý
kiến đóng góp xin vui lòng gửi về họp thư tác giả: tranvluan@gmail.com.
Xin chân thành cảm ơn.

Trang bị động lực http://www.ebook.edu.vn trang 2
Trần Văn Luận
PHẦN: TRANG BỊ HỆ ĐỘNG LỰC ĐỘNG CƠ ĐỐT TRONG
MỞ ĐẦU
1. Giới thiệu chung trang bị động lực:
Trang bị động lực hay hệ động lực là tập hợp các thiết bị gồm: các động cơ
chính, các cơ cấu và các thiết bị phụ để thực hiện biến đổi năng lượng hóa học của
nhiên liệu thành nhiệt năng, cơ năng hay điện năng nhằm bảo đảm tất cả các nhu
cầu cần thiết trong hệ động lực.
Thành phần của hệ động lực nói chung gồm có các động cơ chính, các động
cơ phụ, cơ cấu truyền động, hệ trục và các hệ thống khác để phục vụ trực tiếp hay
gián tiếp cho các thiết bị động lực trong hệ. Ngoài ra trong hệ động lực còn có các
thiết bị để kiểm tra điều khiển trực tiếp hoặc từ xa chế độ làm việc từng thành phần
trong hệ.
Động cơ chính là động cơ phục vụ cho nhu cầu chính, như đối với hệ động
lực tàu thủy để quay chân vịt; đối với hệ tĩnh tại – để quay máy phát điện,…Ở các
trang bị động lực cỡ nhỏ như trạm bơm, trạm cấp khí nén, trạm phát điện lưu động,
tàu sông, tàu chạy ven biển,… số lượng động cơ chính thường là một. Ở các trang
bị động lực cỡ lớn như hệ động lực tĩnh tại, tàu viễn dương, phụ thuộc vào nhu cầu
về điện hay sức kéo mà số lượng động cơ chính có thể lớn hơn hai.
Trong hệ động lực, ngoài động cơ chính còn trang bị các động cơ nhỏ để
quay máy phát điện, máy bơm, máy nén khí khởi động,… các động cơ này gọi là
các động cơ phụ.
Cơ cấu truyền động là thiết bị trung gian giữa hai nguồn phát và thu năng
lượng, làm nhiệm vụ thay đổi tầng số quay trên trục bị động. Cơ cấu này thường
dùng kiểu truyền động cơ khí, truyền động bằng điện, bằng thủy lực hay truyền
động cả cơ khí và thủy lực.
Nghiên cứu trang bị động lực là đi khảo sát đặc điểm kết cấu, tính năng của
từng thiết bị động lực để lựa chọn, bố trí, lắp đặt chúng thành hệ động lực phục vụ
cho mục đích nào đó. Trên thực tế có nhiều dạng trang bị hệ động lực khác nhau,
tùy theo công dụng và yêu cầu cụ thể. Trong phạm vi giáo trình này chỉ đi khảo sát
một số hệ động lực thường dùng.
2. Hướng phát triển trang bị động lực:

Trang bị động lực http://www.ebook.edu.vn trang 3
Trần Văn Luận
Khái niệm sử dụng động cơ nhiệt để sinh công cơ học đã có từ lâu, nhưng
việc ứng dụng vào thực tế chỉ mới bắt đầu vào khoảng cuối thế kỷ thứ XIX. Năm
1883 kỹ sư người Thụy Điển Lavan và năm 1884 kỹ sư người anh Parsôn đã thiết
kế tuabin hơi nước đầu tiên, năm 1897 kỹ sư người Đức Diesel đã phát minh động
cơ đốt trong tự cháy do nén nhiên liệu.
Đầu thế kỷ XX động cơ tuabin hơi và động cơ Diesel được dùng rộng rãi
trong các ngành kinh tế quốc dân, nhất là trang bị trên tàu thủy, tàu hỏa, nhà máy
phát điện, trạm bơm,…Còn động cơ tuabin khí chỉ mới được phát triển và những
năm 50 của thế kỷ trước.
Sau đại chiến thế giới lần thứ hai, bắt đầu phát triển năng lượng nguyên tử.
Cùng với việc xây dựng các trạm phát điện nguyên tử, trên đại dương có các tàu
được trang bị động lực nguyên tử. Thiết bị này được dùng đặc biệt có ưu thế trên
các tàu chiến của các hạm đội và phần lớn trang bị trên tàu cánh ngầm.
Ngày nay, công suất của một cụm tuabin hơi đã đạt trên 100.000 mã lực, đối
với cụm động Diesel đã đạt gần 100.000 mã lực. Việc sử dụng động cơ tuabin khí
công suất lớn, cao tốc trên các tàu đệm khí cho phép đạt được tốc độ đến 100 km/h.
Trong giai đoạn hiện nay, xu hướng phát triển thiết bị động lực chủ yếu tập
trung giải quyết các vấn đề sau:
Tăng công suất động cơ,
Tăng hiệu suất,
Dùng đa nhiên liệu phụ thuộc vào các chế độ làm việc khác nhau của động
cơ.
Giảm trọng lượng và kích thước thiết bị,
Tăng độ tin cậy và tính độc lập trong sử dụng,
Tự động điều khiển, điều chỉnh.
3. Các loại hệ thống động lực thường dùng:
3.1. Hệ động lực tuabin hơi:
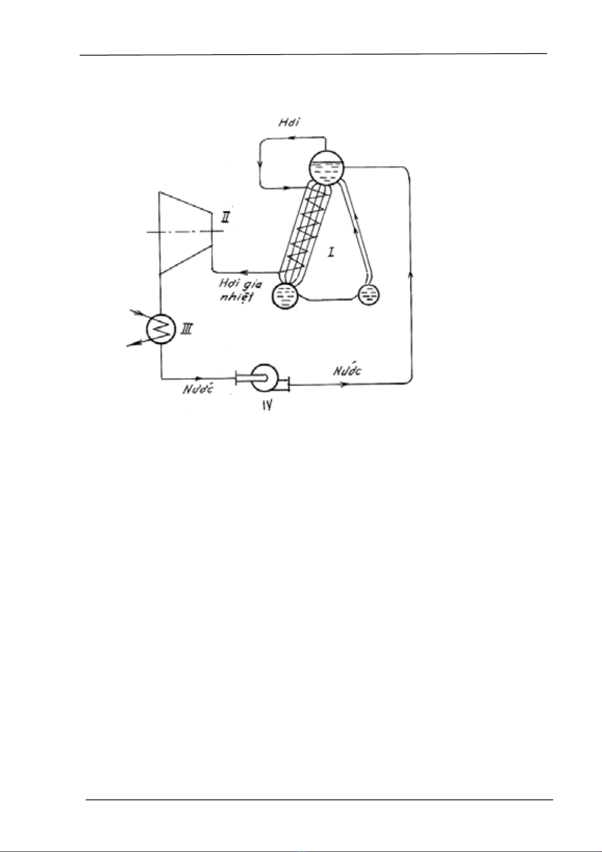
Thành phần chính của hệ động lực tuabin hơi gồm: I. Nồi hơi - ở đây
năng lượng hóa học của nhiên liệu được biến hóa thành nhiệt năng của hơi nước; II.
Tuabin - biến đổi nhiệt năng của hơi nước thành cơ năng; III.Bình ngưng - thực hiện

Trang bị động lực http://www.ebook.edu.vn trang 4
Trần Văn Luận
quá trình tỏa nhiệt ngưng tụ thành nước; IV. Bơm nước - duy trì sự tuần hoàn và
cấp nước cho hệ thống.
Hình 1.1. Sơ đồ hệ động lực tuabin hơi
Ưu điểm:
Tạo được tổ hợp công suất lớn,
Làm việc với nhiên liệu rẻ tiền,
Tính cân bằng tương đối tốt,
Suất tiêu hao nhiên liệu thấp.
Nhược điểm:
Tính cơ động kém,
Số vòng quay cao, nên khi lắp với máy công tác có yêu cầy tốc độ thấp
thường phải truyền động qua hộp số,
Hiệu suất thấp,
Hệ thống cồng kềnh, giá thành chế tạo đắt.
3.2. Hệ động lực tuabin khí:
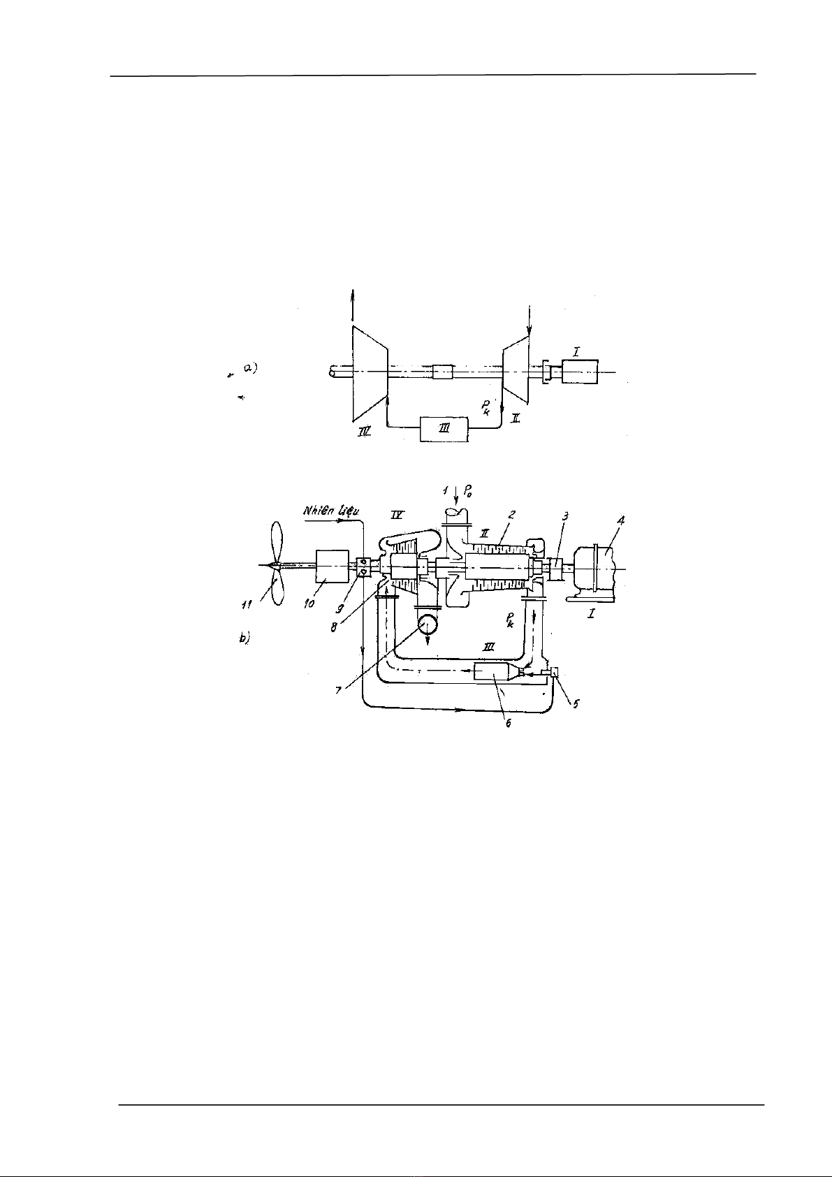
Thành phần chính của hệ động lực tuabin khí: I. Động cơ điện; II. Máy nén;
III. Buồng cháy; IV. Tuabin khí

Trang bị động lực http://www.ebook.edu.vn trang 5
Trần Văn Luận
Ưu nhược điểm: Khác với hệ động lực tuabin hơi, hệ động lực tuabin khí
không có nồi hơi, bình ngưng và một số thành phần khác làm phức tạp hệ thống,
tăng trọng lượng kích thước chung hệ thống.
Hệ động lực tuabin khí, quá trình công tác xảy ra liên tục nên có thể thiết kế
cụm động lực với số vòng quay cao, công suất lớn, kích thước và trọng lượng nhỏ.
Hình 1.2. Sơ đồ hệ động lực tuabin khí
Hệ động lực tuabin khí thường được trang bị trên tàu đệm khí, hệ động lực
máy bay, hệ động lực tĩnh tại.
Tuy nhiên, hệ thống động lực tuabin khí còn tồn tại nhược điểm lớn là hiệu
suất thấp.
3.3. Hệ động lực nguyên tử: