
Nguyenvanbientbd47@gmail.com
Sinh viªn: Hµ Ngäc Th¾ng Líp: §KT§ 2 – K42
Ch−¬ng 2
c¸c ph−¬ng ph¸p vµ s¬ ®å ghÐp nèi vi xö lý - m¸y tÝnh ®Ó
®iÒu khiÓn ®éng c¬ ®iÖn mét chiÒu
HiÖn nay do c«ng nghÖ m¹ch tæ hîp ph¸t triÓn m¹nh mÏ nªn gi¸ thµnh c¸c
thiÕt bÞ IC rÊt h¹. Trong c«ng nghiÖp kü thuËt ®iÒu khiÓn sè ®−îc ¸p dông
mét c¸ch rÊt réng r·i. ë møc ®é ®¬n gi¶n, cã thÓ thùc hiÖn bé ®iÒu khiÓn
b»ng c¸c IC rêi r¹c cì nhá. ë møc ®é trung b×nh cã thÓ sö dông c¸c µP vµ
c¸c thiÕt bÞ ngo¹i vi ®¬n gi¶n. ë nh÷ng m¸y mãc vµ hÖ thèng phøc t¹p yªu
cÇu ®Æc tÝnh kü thuËt cao cã thÓ sö dông microcomputer. C¸c hÖ vi xö lý
trong c«ng nghiÖp tr−íc n¨m 1976 th−êng sö dông lo¹i 4 bit nh− 4004,
4040. Kho¶ng tõ nh÷ng n¨m 1977 ®Õn 1985 trªn thÞ tr−êng kh¸ phæ biÕn
lo¹i 8 bÝt nh− 8080, 8085, Z80... HiÖn nay c¸c hÖ thèng yªu cÇu ®é chÝnh
x¸c cao ng−êi ta th−êng sö dông c¸c hÖ vi xö lý 16 bits hoÆc 32 bits.
Ph−¬ng ph¸p ®iÒu khiÓn xung Transistor
H×nh2.1: S¬ ®å nguyªn lý ghÐp nèi m¸y tÝnh ®iÒu khiÓn tèc ®é ®éng c¬
Trong ®ã:

Nguyenvanbientbd47@gmail.com
Sinh viªn: Hµ Ngäc Th¾ng Líp: §KT§ 2 – K42
K§CS: bé khuÕch ®¹i c«ng suÊt.
§C: ®éng c¬ ®iÖn mét chiÒu.
FT : m¸y ph¸t tèc.
CL : m¹ch chØnh l−u ®iÖn ¸p cho m¸y ph¸t tèc.
M¸y tÝnh ngoµi chøc n¨ng lµm bé so s¸nh, t¹o ch−¬ng tr×nh ®iÒu khiÓn tèc
®é vµ ®Þnh chiÒu quay cho ®éng c¬ cßn lµm chøc n¨ng cña bé biÕn ®æi tÝn
hiÖu ®iÒu khiÓn. TÝn hiÖu ra cña bé DAC lµ c¸c xung vu«ng cã ®é réng thay
®æi T = f(E). víi E lµ sai lÖch gi÷a gi¸ trÞ thùc vµ gi¸ trÞ ®Æt. Bé khuÕch ®¹i
c«ng suÊt chØ ®¬n thuÇn lµm nhiÖm vô phèi hîp t¶i, cung cÊp dßng ®iÖn ®Ó
®éng c¬ lµm viÖc.

Nguyenvanbientbd47@gmail.com
Sinh viªn: Hµ Ngäc Th¾ng Líp: §KT§ 2 – K42

Nguyenvanbientbd47@gmail.com
Sinh viªn: Hµ Ngäc Th¾ng Líp: §KT§ 2 – K42
Nguyenvanbientbd47@gmail.com
Sinh viªn: Hµ Ngäc Th¾ng Líp: §KT§ 2 – K42

Nguyenvanbientbd47@gmail.com
Sinh viªn: Hµ Ngäc Th¾ng Líp: §KT§ 2 – K42
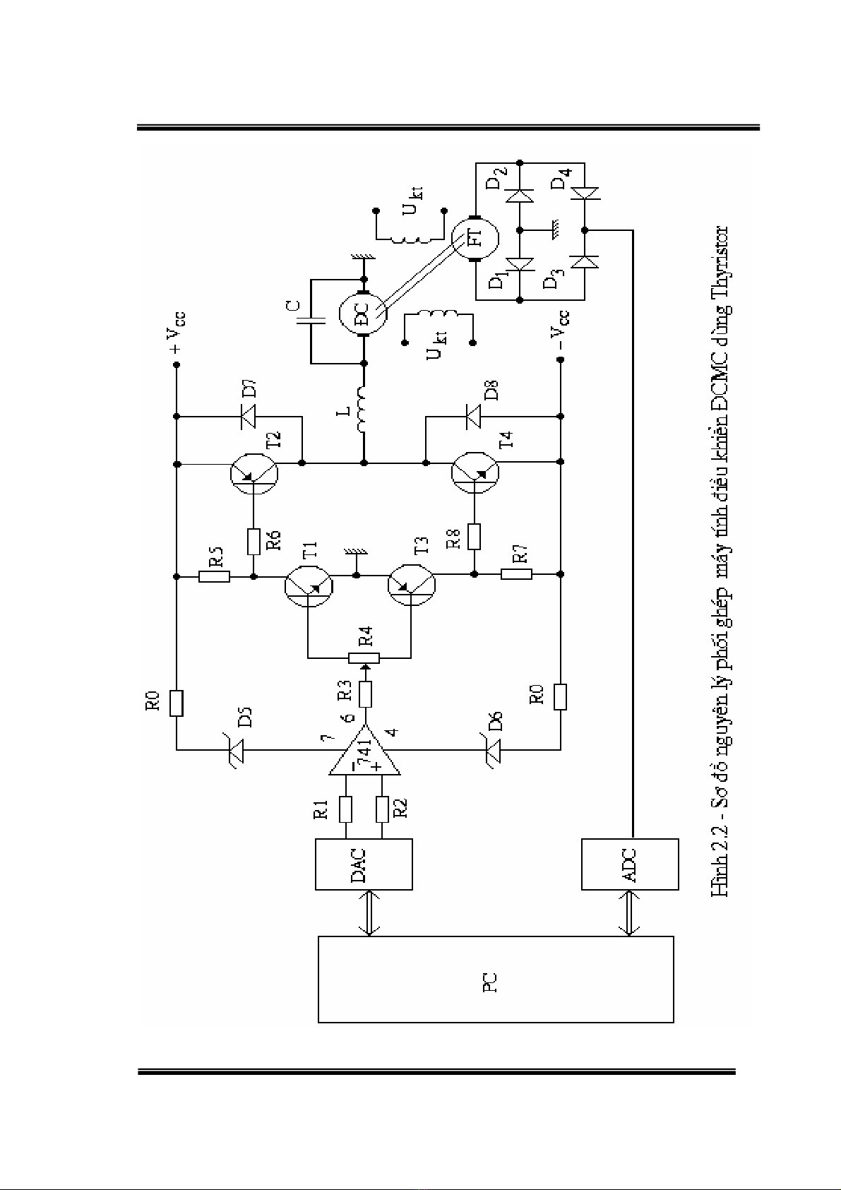
Nguyªn lý ho¹t ®éng cña m¹ch.
KhuÕch ®¹i thuËt to¸n lµm nhiÖm vô cña bé phËn kªnh. Khi ®Çu vµo (-) cã
tÝn hiÖu U1> 0 cßn U2 = 0 th× ®Çu ra khuÕch ®¹i thuËt to¸n b·o hoµ ©m. ThÕ
©m ®Æt vµo c¸c ch©n baz¬ cña Transistor T1 vµ T3 do ®ã T3 ph©n cùc thuËn
nªn dÉn cßn T1 ph©n cùc ng−îc nªn kho¸. T3 dÉn nªn T4 dÉn vµ ®éng c¬
quay theo chiÒu thuËn. Khi U1 = 0 vµ U2 > 0 th× ®Çu ra khuÕch ®¹i thuËt
to¸n b·o hoµ d−¬ng lµm cho Transistor T1 vµ T2 dÉn lµm cho ®éng c¬ sÏ
quay theo chiÒu ng−îc.
Cuén d©y L vµ tô C dïng ®Ó san b»ng ®iÖn ¸p ra cña ®éng c¬ khi ®¶o chiÒu
quay. HiÖn t−îng nµy ®−îc gi¶i thÝch nh− sau: ta biÕt r»ng m¸y ®iÖn mét
chiÒu cã thÓ lµm viÖc ë chÕ ®é ®éng c¬ hoÆc chÕ ®é m¸y ph¸t. Khi ta ®Æt
®iÖn ¸p kÝch tõ hay ®iÖn ¸p phÇn øng cho m¸y ®iÖn th× sÏ sinh ra trong m¸y
®iÖn mét m«men lµm quay rotor vµ m¸y ®iÖn mét chiÒu lµm viÖc ë chÕ ®é
®éng c¬. Ng−îc l¹i khi quay rotor cña m¸y ®iÖn mét chiÒu vµ ®Æt ®iÖn ¸p
kÝch tõ cho nã lóc nµy m¸y ®iÖn mét chiÒu lµm viÖc ë chÕ ®é m¸y ph¸t. Khi
ta ®¶o chiÒu quay cña ®éng c¬ ®iÖn mét chiÒu, lóc ®ã ta kh«ng ®Æt ®iÖn ¸p
vµo phÇn øng ®éng c¬ n÷a (Uu = 0) nh−ng ®éng c¬ vÉn quay theo qu¸n tÝnh
vÉn cã kÝch tõ do vËy ë phÇn øng ®éng c¬ ta cã mét søc ®iÖn ®éng vµ ®éng
c¬ lµm viÖc ë chÕ ®é m¸y ph¸t. §é lín cña søc ®iÖn ®éng nµy phô thuéc vµo
tèc ®é ®éng c¬ lóc ®¶o chiÒu.
)t(n.C)t(E c
=
Søc ®iÖn ®éng nµy gi¶m dÇn theo thêi gian v× tèc ®é n(t) sÏ gi¶m dÇn. Do
®ã ®Ó b¶o vÖ c¸c Transistor T2 vµ T4 ta m¾c thªm D7 vµ D8 nèi gi÷a colector
vµ emitor cña c¸c Transistor nµy. Khi ®éng c¬ quay thuËn mµ ta ®¶o chiÒu
quay th× thÕ ϕA >Vcc vµ D7 th«ng, tiÕp gi¸p C - E cña Transistor T4 kh«ng
ph¶i chÞu ®iÖn ¸p ng−îc :

