
11
GỢI Ý CÁC NỘI DUNG CHO TỪNG BÀI
Bài 1. TÁCH NƢỚC TỪ DẦU THÔ
Mã bài: HD B1
1. GIẢNG GIẢI VÀ ĐƢA RA CÁC VÍ DỤ MINH HỌA CÁC NỘI DUNG
1.1. Nguồn gốc của nƣớc trong dầu thô
- Nguồn gốc của nƣớc chứa trong dầu, hàm lƣợng nƣớc thay đổi
theo thời gian khai thác;
- Vấn đề tạo nhũ dầu - nƣớc
- Thành phần muối chứa trong nƣớc tách, lấy thí dụ thành phần nƣớc
tách trong dầu thô Bạch Hổ và Rồng (bảng 1.1).
- Sự phụ thuộc của việc phân lớp nƣớc vào điều kiện vận chuyển
dầu.
- Tác hại của nƣớc chứa trong dầu.
1.2. Phƣơng pháp để lắng để tách nƣớc
- Hai loại nhũ tƣơng – dầu trong nƣớc và nƣớc trong dầu.
- Đặc điểm tách nƣớc trong dầu thô.
- Giới thiệu các phƣơng pháp tách nƣớc:
Lắng
- Lĩnh vực ứng dụng;
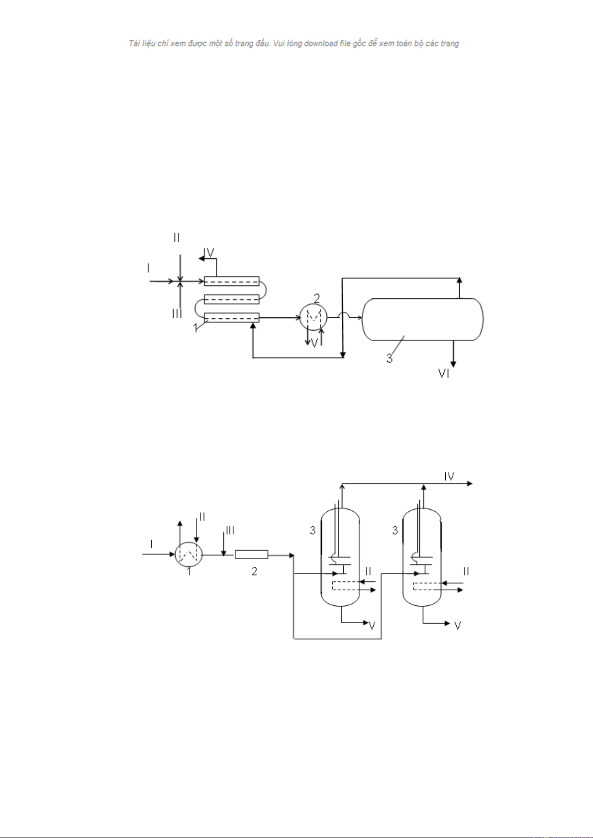
- Mô hình thiết bị (hình 1.1).
- Giảng chế độ công nghệ của thiết bị:
+ Nhiệt độ dầu thô: 60oC
+ Gia nhiệt đến 120-160oC và áp suất 8-15 atm,
+ Thời gian: 2-3 giờ.

12
Hình 1.1. Sơ đồ thiết bị nung nóng- lắng nƣớc
Lọc
- Ứng dụng
- Vật liệu sử dụng trong lọc nƣớc
Phƣơng pháp hóa học
- Đặc điểm của phƣơng pháp
- Vẽ sơ đồ công nghệ phá nhũ nhiệt hóa (hình 1.2).
- Giới thiệu họat động của sơ đồ
Hình 1.2. Sơ đồ công nghệ phá nhũ nhiệt hóa
Phƣơng pháp phá nhũ tƣơng dầu bằng điện trƣờng
- Nguyên lý của phƣơng pháp
- Sơ đồ công nghệ loại nƣớc điện trƣờng (EDW) (hình 1.3).
Hình 1.3. Sơ đồ cụm làm khan bằng điện
- Ứng dụng:
+ Phá nhũ không bền tiến hành hai bậc
+ Phá nhũ bền vững tiến hành 3 bậc

13
- Vẽ sơ đồ hình 1.4, giới thiệu thiết bị loại nƣớc bằng điện dạng nằm
ngang và điều kiện của quá trình.
- Giới thiệu sơ đồ và điều kiện của quá trình:
+ Điện trƣờng điện thế 32-33 kW
+ Nhiệt độ 120-130oC
+ Áp suất 8-10 atm.
+ Chất lƣợng dầu sau xử lý: chứa 5-10 mg muối/l.
Hình 1.4. Sơ đồ loại nƣớc- muối bằng điện với thiết bị loại nƣớc nằm ngang
1.3. Kiểm tra thiết bị tách nƣớc
- Giới thiệu sự cần thiết của việc kiểm tra thiết bị tách nƣớc;
- Giới thiệu qui trình kiểm tra các thiết bị tách nƣớc bằng điện.
- Giải thích mục đích của từng bƣớc kiểm tra và yêu cầu.
1.4. Vận hành thiết bị tách nƣớc
Giảng ba công đọan vận hành thiết bị tách nƣớc:
a. Chuẩn bị thiết bị:
- Giới thiệu qui trình chuẩn bị thiết bị tách nƣớc;
- Giảng qui trình tiếp nhận dầu thô vào sơ đồ.
b. Tuần hòan lạnh
- Giới thiệu sơ đồ vận hành tuần hòan lạnh
- Các lƣu ý khi vận hành.
c. Vận hành cụm lắng nƣớc
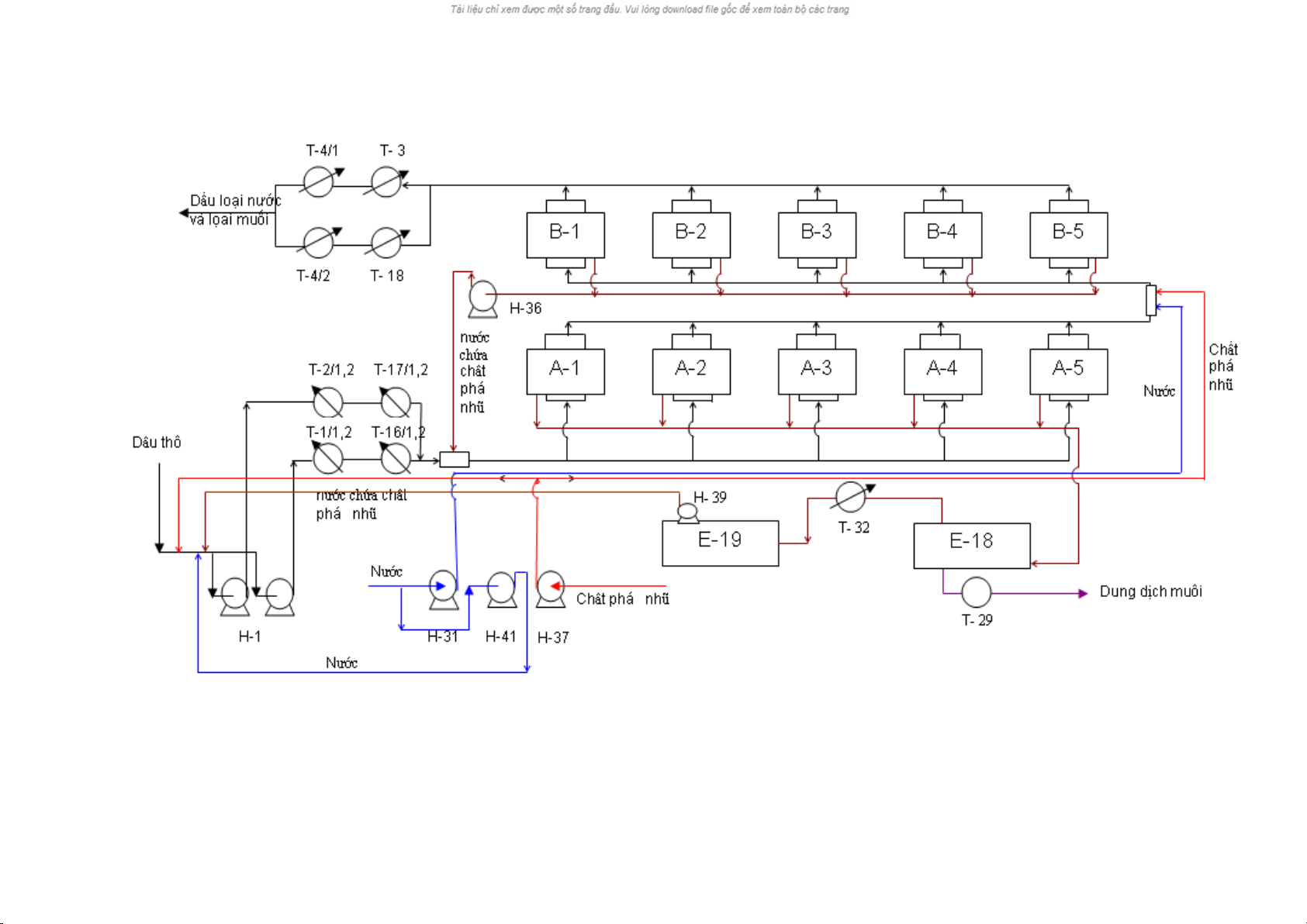
- Vẽ sơ đồ cụm loại muối, nƣớc bằng điện theo hình 1.5.
- Giảng cách vận hành cụm loại muối, nƣớc bằng điện đƣợc trình bày
trong hình 1.5.

14
I. Địa điểm, môi trƣờng
Tại giảng đƣờng. Yêu cầu có sẵn các trang thiết bị, bảng viết và ghế ngồi
cho học viên và các thiết bị chiếu.

15
Hình 1.5. Sơ đồ công nghệ loại muối, nƣớc bằng điện.
A1-A5- thiết bị loại nƣớc, muối nằm ngang của bậc nhất;
B1-B5- thiết bị loại nƣớc, muối nằm ngang của bậc hai;
T- trao đổi nhiệt; E- bể chứa; H- máy bơm

