
BÀI
6
Tên
bài:
HO T Đ NG NG TẠ Ộ Ắ (Interrupt)
GI
Ớ
I
THI UỆ
Bài
này
trình
bày
về
khả
năng
quản
lý
đ ngồ
th
iờ
nhi uề
thiế
t
bị
ngo iạ
vi
nhờ
vào
tính
năng
xử
lý
ngắ
t
c aủ
MCS-51,
đi uề
này
rấ
t
phù
h pợ
v iớ
yêu
c uầ
l pậ
trình
hưngớ
đi uề
khi n N iể ộ
dung
bài
g mồ
cả
lý
thuyế
t
và
th
ực
hành
trên
bộ
th
ực
t
pậ
UNIKIT, t
hiế
t
bị
ngo iạ
vi
có
th
ể
giao
ti
pế
v iớ
8051
thông
qua
các
ngỏ
I/O
đ cượ
trang
bị
s nẳ
t
rên
board
UNIKIT
như
:
Công
t
ắ
c,
nút
nhấ
n,
đèn,
chuôn
g,
đ ngộ
cơ
...
M CỤ
TIÊU
TH CỰ
HI NỆ
•Hi uể
đ cượ
t
ác
d ngụ
th
ực
t
ế
của
mộ
t
hệ
th
ngố
đ cượ
đi uề
khi nể
b ngằ
tí
n
hi uệ
ngắ
t.
•Biế
t
đ cượ
t
ổ
chức
ngắ
t
và
cơ
chế
th
ực
hi nệ
chưngơ
trìn
h
ph cụ
vụ
ngắ
t
c aủ
8051
•Biế
t
cách
kh iở
t
oạ
ngắ
t t
heo
yêu
cầ
u.
NỘ
I
DUNG
CHÍNH
N iộ
dung
bài
h cọ
t
pậ
trung
về
các
chủ
đề
chính
như
sau:
•Vai
trò
c aủ
ngắ
t
trong
yêu
c uầ
đi uề
khi nể
•
T
ổ
chức
ngắ
t
trong
8051
•Các
thanh
ghi
chức
năng
đ cặ
biệ
t
liên
quan
•Phưngơ
pháp
kh iở
t
oạ
ngắ
t
•Cách
viế
t
chưngơ
trình
ph cụ
vụ
ngắ
t
kích
th
ưcớ
nhỏ
và
l nớ
•Các
ứng
dụng
đi nể
hình
1

1.
MỞ
Đ UẦ
Ngắ
t
là
sự
xuấ
t
hi nệ
c aủ
mộ
t
đi uề
kiệ
n,
mộ
t
sự
ki nệ
làm
t
mạ
dừng
chưngơ
trình
trong
khi
đi uề
ki nệ
này
đ cượ
ph cụ
vụ
bở
I
mộ
t
chưngơ
trì
nh
khác.
Ngắ
t
có
mộ
t
vai
trò quan
tr
ngọ
trong
thiế
t
kế
và
th
ực
hi nệ
các
ứng
d ngụ
c aủ
vi
đi uề
khiể
n.
Chúng
cho
phép
hệ
th
ngố
đáp
ứng
không
đ ngồ
bộ
vớ
I
mộ
t
sự
ki nệ
và
xử
lý
sự
ki nệ
trong
khi
mộ
t
chưngơ
trình
khác
đang
hoạ
t
đ ng.ộ
Mộ
t
hệ
th
ngố
đ cượ
đi uề
khi nể
b ngằ
ngắ
t t
oạ
mộ
t
oả
giác
th
ực
hi nệ
đ ngồ
th
ờ
I
nhi uề
công
vi cệ
cùng
mộ
t
lúc..
Dỉ
nhiên,
t
ạ
I
mộ
t th
ờ
I
đi mễ
CPU
không
th
ể
th
ực
hi nệ
nhi uề
h nơ
mộ
t
l nhệ
nhưng
nó
có
th
ể
t
mạ
dừng
chưngơ
trìn
h
để
th
ực
hi nệ
mộ
t
chưngơ
trình
khác
và
sau
đó
tr
ở
lạ
I
chưngơ
trình
đ uầ
tiên.
Đi mễ
khác
là
trong
mộ
t
hệ
th
ngố
đi uề
khi nể
b ngằ
ngắ
t,
các
ngắ
t
không
x yả
ra
như
là
kế
t
quả
c aủ
mộ
t
l nhệ
(như
l nhệ
gọ
I
chưngơ
trình
con)
mà
là
đáp
ứng
vớ
I
mộ
t
sự
ki nệ
x yả
ra
mộ
t
cách
không
đ ngồ
bộ
vớ
I
chưngơ
trìn
h
chính
có
nghĩa
là
không
biế
t tr
ưcớ
chưngơ
trìn
h
chính
sẻ
bị
ngắ
t
lúc
nà
o.
Chưngơ
trình
xử
lý
ngắ
t
đ cượ
gọ
I
là
chưngơ
trình
ph cụ
vụ
ngắ
t
(Interrupt
service
routine)
viế
t t
ắ
t
là
ISR
hay
qu nả
lý
ngắ
t. ISR
hoạ
t
đ ngộ
để
đáp
ứng
mộ
t
ngắ
t
và
t
hưngờ
th
ực
hi nệ
mộ
t
thao
tác
vào
ho cặ
ra
đ nế
mộ
t
thiế
t
bị
.
Khi
xảy
ra
mộ
t
ngắ
t thì
chưngơ
trình
chính
t
mạ
t
hờ
I
dừng
lạ
I
và
rẻ
nhánh
đ nế
ISR. IS
R
th
ực
hi nệ
các
thao
tác
c nầ
thiế
t
và
kế
t
thúc
vớ
I
l nhệ
tr
ở
về
t
ừ
ngắ
t
và
chưngơ
trình
chính
lạ
I ti
pế
t
cụ
t
ừ
n iơ
t
mạ
dừng.
Như
vậy
có
th
ể
nói
chưngơ
trình
chính
hoạ
t
đ ngộ
ở
mức
cơ
sở
và
các
ISR
hoạ
t
đ ngộ
ở
mức
ngắ
t
cũng
có
dùng
các
thuậ
t
ngữ
:
“phía
tr
ưc”ớ
(foreground)
để
chỉ
mức
cơ
sở
và
“ph
ía
sau”
(backgrround)
để
chỉ
mức
ngắ
t,
trong
hình
6.1a
trình
bày
hoạ
t
đ ngộ
c aủ
mộ
t
chưngơ
trình
không
có
ngắ
t
và
6.1b
là
hoạ
t
đ ngộ
c aủ
chưngơ
trình
chính
ở
mức
cơ
sở
có
ngắ
t
và
các
ngắ
t
hoạ
t
động
ở
mức
ngắ
t.
Mộ
t ví
dụ
đi nể
hình
về
ngắ
t
là
vi cệ
nh pậ
dử
liệu
b ngằ
tay
dùng
bàn
phím.
Hãy
kh oả
sát
mộ
t
ứng
d ngụ
về
lò
vi
sóng:
Chưngơ
trình
chính
đi uề
khi nể
ph nầ
t
ử
t
oạ
năng
lưngợ
vi
sóng
để
n uấ
ă
n,
nhưng
t
rong
khi
đang
n uấ
hệ
th
ống
c nầ
phả
I
đáp
ứng
việc
nh pậ
b ngằ
tay
trên
c aử
lò
ví
dụ
t
ăng
ho cặ
giãm
th
ờ
I
gian
nấ
u.
Khi
ngườ
I
xử
d ngụ
th
ả
nút
nhấ
n,
mộ
t
ngắ
t
đ cượ
t
oạ
ra
(có
th
ể
là
mộ
t tín
hi uệ
chuy nể
t
ừ
mức
cao
xu ngố
mức
th
p)ấ
và
chương
trình
chính
bị
dừng
lạ
I,
chương
trình
ISR
hoạ
t
đ ngộ
đ cọ
các
mả
c aủ
bàn
phím
và
thay
đổ
I
quá
trình
n uấ
t
ưngơ
ứng
sau
đó
ch mấ
dứ
t
b ngằ
cách
chuy nể
đi uề
khi nể
về
cho
chưngơ
trình
chính,
chương
trình
chính
lạ
I ti
pế
t
ục
t
ừ
n iơ
bị
ngắ
t.
Mộ
t
đi mể
quan
tr
ngọ
trong
ví
dụ
này
là
vi cệ
nh pậ
b ngằ
tay
x yả
ra
mộ
t
cách
không
đ ngồ
bộ
có
nghĩa
là
không
biế
t tr
ưcớ
ho cặ
không
đ cượ
đi uề
khi nể
b ngằ
ph nầ
m mề
đang
ch yạ
trong
hệ
th
ng.ố
Đó
chính
là
đ cặ
đi mễ
c aủ
ngắ
t
Thời gian
Chương trình chính
a) Thực hiện chương trình không có ngắt
ISR ISR ISR
main main main main
b) Thực hiện chương trình với ngắt
Hình 6.1 Thực hiên chương trình
2

2.
T
Ổ
CH CỨ
NGẮ
T
CỦA
8051
8051
có
năm
ngu nồ
tín
hi uệ
ngắ
t:
2
ngắ
t
ngoà
i,
2
ngắ
t
đ nhị
th
iờ
và
1
ngắ
t
c ngổ
n iố
ti
ế
p.
8052
có
thêm
ngắ
t th
ứ
sáu
của
timer
th
ứ
ba.
Tr ngạ
thái
m cặ
định
c aủ
các
ngắ
t
là
không
hoạ
t
đ ngộ
sau
khi
reset
hệ
th
ngố
và
chuy nể
sang
hoạ
t
đ ngộ
t
ừng
ngắ
t
riêng
rẻ
b ngằ
ph nầ
m m.ề
Trong
tr
ưngờ
h pợ
có
hai
ho cặ
nhi uề
ngắ
t
xuấ
t
hi nệ
đ ngồ
th
ời
ho cặ
mộ
t
ngắ
t
x yả
ra
trong
khi
mộ
t
ngắ
t
khác
đang
đ cượ
ph cụ
vụ
.
Có
hai
sơ
đồ
s pắ
x pế
ưu
tiên
các
ngắ
t
đó
là:
Chu iỗ
pooling
và
ưu
t
iên
hai
cấ
p, t
hứ
t
ự
theo
chu iỗ
pooling
thì
cố
định
nhưng
sơ
đồ
ưu
tiên
hai
c pấ
thì
l pậ
trình
đượ
c.
Sau
đây
là
phưngơ
pháp
cho
phép
và
không
cho
phép
sự
hoạ
t
đ ngộ
c aủ
các
ngắ
t.
Cho phép và không cho phép các ng tắ
M iỗ
mộ
t tín
hi uệ
ngắ
t
đ cượ
cho
phép
ho cặ
không
cho
phép
b iở
đ aị
chỉ
bít
trong thanh
ghi
chức
năng
đ cặ
biệ
t IE (I
nterrupt
enable)
t
iạ
đ aị
chỉ
0A8H,
có
mộ
t bít
cho
phép toàn
cụ
c, bít
này
khi
bị
xóa
sẻ
ngăn
t
ấ
t
cả
các
ngắ
t.
(b ngả
6.
1).
Để
cho
phép
mộ
t
ngắ
t
c nầ
ph iả
set
hai
bít:
Mộ
t bít
cho
phép
riêng
và
b
ít
cho
phép
toàn
cụ
c. V
D
Ngắ
t
timer
1
đ cượ
cho
phép
như
sau:
SETB
ET1
SETB EA
Ho cặ
MOV IE,#10001000B
M cặ
dù
hai
cách
trên
có
cùng
kế
t
quả
sau
khi
reset
hệ
th
ngố
nhưng
kế
t
quả
sẻ
khác
nhau
n uế
IE
được
ghi
ở
giữa
chưngơ
trình
trong
khi
đang
chạ
y.
Cách
th
ứ
nhấ
t
không
nhả
hưngỡ
đ nế
5
bít
còn
lại
trong
thanh
ghi
IE
còn
cách
th
ứ
hai
sẻ
xóa
các
bít
còn
lại
khác.
T
ố
t
nhấ
t
nên
dùng
cách
th
ứ
hai
t
iạ
vị
trí
bắ
t
đ uầ
chưngơ
trình
(nghĩa
là
khi
bắ
t
đ uầ
mở
máy
ho cặ
reset
hệ
th
nốg)
nên
dùng
l nhệ
SETB
và
CLR
trong
khi
chưngơ
trình
đang
ch yạ
để
tránh
nhả
hưngỡ
các
bít
khác
trong
thanh
ghi
IE.
M c u tiênứ ư
M iỗ
ngắ
t
đ cượ
l pậ
trình
ở
mộ
t
trong
hai
mức
ưu
tiên
bằng
thanh
ghi
IP
(Interrupt
priority)
t
iạ
đ aị
chỉ
oB8H
(b ngả
6.2)
Thanh
ghi
IP t
ự
đ ngộ
xóa
sau
khi
reset
hệ
th
ngố
để
đặ
t
các
ngắ
t
ở
mức
ưu
tiên
th
pấ
B
NGẢ
6.1
Thanh
ghi
IE
BÍT Ký
hi
uệĐ aị
chỉ
bít Mô
tả
(1=cho
phép,
0=không
cho
phép)
IE.7
IE.6
IE.5
IE.4
IE.3
IE.2
IE.1
IE.0
EA
-
ET2
ES
ET1
EX
1
ET0
EX
0
AFH
AEH
ADH
ACH
ABH
AAH
A9H
A8H
Cho
phép
toàn
c cụ
Không
dùng
Cho
phép
ngắ
t
timer
2
(8052)
Cho
phép
ngắ
t
c ngổ
n iố
ti
pế
Cho
phép
ngắ
t
timer
1
Cho
phép
ngắ
t
1
ngoài
Cho
phép
ngắ
t
timer
0
Cho
phép
ngắ
t
0
ngoài
B
NGẢ
6.2
Thanh
ghi
IP
BÍT Ký
hi
uệĐ aị
chỉ
bít Mô
tả
(1=mức
cao,
0=mức
th p)ấ
IP.7
IP.6
IP.5
IP.4
IP.3
IP.2
IP.1
IP.0
-
-
PT2
PS
PT1
PX
1
PT0
PX
0
-
-
0BDH
0BCH
0BBH
0BAH
0B9H
0B8H
Không
dùng
Không
dùng
uƯ
tiên
ngắ
t
timer
2
(8052)
uƯ
tiên
ngắ
t
c ngổ
n iố
ti
ếp
uƯ
tiên
ngắ
t
timer
1
uƯ
tiên
ngắ
t
1
ngoài
uƯ
tiên
ngắ
t
timer
0
uƯ
tiên
ngắ
t
0
ngoài

Khái
ni mệ
“ưu
tiên”
cho
phép
mộ
t IS
R
bị
dừng
b iở
mộ
t
ngắ
t
khác
n uế
ngắ
t
m iớ
xuấ
t
hi nệ
này
có
mức
ưu
tiên
cao
h nơ
ngắ
t
đang
được
ph cụ
vụ
,
đi uề
này
phù
h pợ
v iớ
8051
vì
chỉ
có
hai
mức
ưu
tiên,
n uế
mộ
t ISR
ưu
tiên
th
pấ
đang
chạy
nhưng
l iạ
x yả
ra
mộ
t
ngắ
t
ưu tiên
cao
thì IS
R
sẻ
bị
dừng.
Mộ
t ISR
ưu
tiên
không
th
ể
bị
dừng
.
Chưngơ
trình
chính
hoạ
t
đ ngộ
ở
mức
ưu
tiên
cơ
sở
và
không
liên
hệ
v iớ
mộ
t
ngắ
t
bấ
t
kỳ
nào
nên
luôn
bị
dừng
khi
x yả
ra
ngắ
t.
N uế
hai
ngắ
t
có
mức
ưu
tiên
khác
nhau
cùng
x yả
ra
thì
ngắ
t
có
mức
ưu
tiên
cao
sẻ
đ cượ
phục
vụ
tr
ướ
c.
Chu iỗ pooling
N uế
đ ngồ
th
iờ
xuấ
t
hi nệ
hai
ngắ
t
có
cùng
mức
ưu
tiên
thì
ngắ
t
đ cượ
ph cụ
vụ
tr
ưcớ
đ cượ
xác
định
theo
th
ứ
t
ự
chu iỗ
pooling:
Ngắ
t
0
ngoài,
ngắ
t
timer
0,
ngắ
t
1
ngoài,
ngắ
t
timer
1,
ngắ
t
c ngổ
n iố
ti
ế
p,
ngắ
t
timer
2.
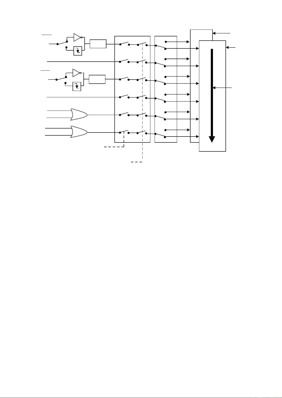
Hình
6.2
trình
bày
năm
ngu nồ
tín
hi uệ
ngắ
t
cùng
cơ
chế
cho
phép
toàn
c cụ
và
riêng
rẻ
,
chu iỗ
pooling
và
các
mức
ưu
tiên,
tr
ngạ
thái
c aủ
t
ấ
t
cả
các
ngu nồ
tín
hi uệ
ngắ
t
có
th
ể
thông
qua
các
bít
cờ
trong
thanh
ghi
chức
năng
đ cặ
biệ
t.
Dỉ
nhiên,
n uế
mộ
t
ngắ
t
nào
đó
không
đ cượ
cho
phép
thì
ngắ
t t
ưngơ
ứng
không
đ cượ
t
oạ
ra
nhưng
ph nầ
mềm
v nẩ
có
th
ể
ki mể
tra
cờ
ngắ
t.
Các
ví
dụ
về
timer
và
cổng
n iố
ti
pế
trong
hai
bài
tr
ưcớ
đã
sử
d ngụ
các
cờ
ngắ
t
mà
th
ực
t
ế
không
dùng
các
ngắ
t.
Mộ
t
ngắ
t
c ngổ
n iố
ti
pế
là
kế
t
quả
t
ừ
phép
OR
c aủ
ngắ
t th
u
(RI)
v iớ
ngắ
t
phát
(TI
)
.
T
ưngơ
t
ự
,
ngắ
t
timer
2
đ cượ
t
oạ
ra
b iở
cờ
tràn
TF2
ho cặ
v iớ
cờ
nh pậ
bên
ngoài
EX
F2
.
Khả
năng
t
oạ
ngắ
t
c aủ
các
bít
cờ
đ cượ
tóm
t
ắ
t
trong
b ngả
6.
3
3.
X
Ử
LÝ
NGẮ
T
Khi
mộ
t
ngắ
t
xuấ
t
hi nệ
đ cượ
CPU
nh nậ
ra,
chưngơ
trình
chính
sẻ
dừng
l iạ
và
kế
ti
pế
là
các
t
hao
tác
như
sau:
•Thực
hi nệ
hoàn
t
ấ
t
l nhệ
hi nệ
hành
•Lưu
n iộ
dung
thanh
ghi
PC
vào
ngăn
x pế
•Lưu
tr
ngạ
th
ái
ngắ
t
hi nệ
hành
•Các
ngắ
t
đ cượ
ch nặ
l iạ
t
iạ
mức
ngắ
t
•N pạ
đ aị
chỉ
vec
t
ơ
c aủ
ISR
vào
PC
•Thực
hi nệ
IS
R
Chưngơ
trình
ISR
hoạ
t
đ ngộ
và
th
ực
hi nệ
các
t
hao
tác
t
ương
ứng
v iớ
ngắ
t.
Sau
đ
ó,
kế
t
thúc
khi
g pặ
l nhệ
R
ETI
(return
from
interrupt),
l nhệ
này
l yấ
l iạ
giá
tr
ị
c aủ
PC
t
ừ
ngăn
x pế
và
ph cụ
h iồ
tr
ngạ
th
ái
ngắ
t
củ
,
chưngơ
trình
ti
pế
t
cụ
chạy
t
ừ
n iơ
t
mạ
dừng.
B
NGẢ
6.3
Các
bít
cờ
ngắ
t
Ng tắCờThanh
ghi
SFR
và
vị
trí
bít
0
ngoài
1
ngoài
timer
1
timer
0
c ngổ
n iố
ti
ếp
c ngổ
n iố
ti
ếp
timer
2
timer
2
IE0
IE1
TF1
TF0
Ti
Ri
TF2
EX
F2
TCON.1
TCON.3
TCON.7
TCON.5
SCON.1
SCON.0
T2CON.7
(8052)
T2CON.6
(8052)

INT0
TF0
IE0
u tƯiên cao
u tiƯên thấp
INT1
IE1
TF1 Chuỗi
pooling
Ri
Ti
TF2
EXF2
Cho phép riêng
Cho phép toàn cục
Hình 6.2 Cấu trúc ngắt 8051
Các vec tơ ng tắ
Khi
mộ
t
ngắ
t
đ cượ
ch pấ
nhậ
n,
giá
tr
ị
n pạ
vào
bộ
đ mế
chưngơ
trình
PC
đ cượ
g iọ
là
véc
t
ơ
ngắ
t.
Đây
là
đ aị
chỉ
bắ
t
đ uầ
c aủ
ISR
đ iố
v iớ
ngắ
t t
ưngơ
ứng.
Các
véc
t
ơ
ngắ
t
đ cượ
cho
trong
bẳng
6.4.
Véc
t
ơ
reset
hệ
th
ngố
(RST
t
iạ
đ aị
chỉ
0000H)
cũng
đ cượ
cho
trong
b ngả
nên
nó
cũng
gi ngố
như
mộ
t
ngắ
t,
nó
dừng
chưngơ
trìn
h
chính
và
n pạ
vào
PC
mộ
t
giá
tr
ị
mớ
i.
Khi
tr
ỏ
đ nế
mộ
t
ngắ
t,
cờ
gây
ra
ngắ
t
sẻ
bị
xóa
t
ự
đ ngộ
bị
xóa
b iở
ph nầ
cứng
ngo iạ
tr
ừ
Ri
và
Ti
đ iố
v iớ
ngắ
t
c ngổ
nối
ti
pế
và
TF2, EX
F2
đ iố
v iớ
ngắ
t
timer
2.
Do
có
hai
nguyên
nhân
t
oạ
ngắ
t
cho
các
ngắ
t
này
nên
th
ậ
t
là
không
t
hực
t
ế
n uế
CPU
xóa
cờ
ngắ
t.
Các
bít
này
ph iả
đ cượ
ki mể
tra
trong
ISR
để
xác
đ nhị
nguyên
nhân
t
oạ
ngắ
t
và
sau
đó
cờ
ngắ
t
đ cượ
xóa
b ngằ
ph nầ
m m,ề
th
ưngờ
có
mộ
t
sự
rẻ
nhánh
đ nế
các
t
hao
tác
t
ương
ứng
phụ
thu cộ
vào
ngu nồ
t
oạ
ra
ngắ
t.
Vì
các
véc
t
ơ
ngắ
t
được
đặ
t
phía
dưiớ
đáy
c aủ
bộ
nhớ
chưngơ
trình
nên
l nhệ
đ u tiênầ
c aủ
chưngơ
trình
chính
th
ưngờ
là
l nhệ
nh yả
qua
vùng
này
VD
l nhệ
LJMP
0030H.
4.
THIẾ
T
KẾ
CHƯƠNG
TRÌNH
DÙNG
NGẮ
T
Trong
các
bài
tr
ưcớ
đây
đã
không
dùng
đ nế
ngắ
t
mà
dùng
nhi uề
các
vòng
l pặ
để
ki mể
tra
cờ
tràn
c aủ
timer
TF0,
TF1
ho cặ
TF2
ho cặ
các
cờ
thu
phát
của
c ngổ
n iố
ti
pế
Ti
ho cặ
Ri,
v nấ
đề
c aủ
phưngơ
pháp
này
là
th
iờ
gian
hoạ
t
đ ngộ
c aủ
CPU
hoàn
toàn
được
dùng
vào
vi cệ
chờ
các
cờ
này
được
set,
đi uề
này
hoàn
toàn
không
thích
h pợ
v iớ
các
ứng
d ngụ
hưngớ
đi uề
khi nể
mà
trong
đó
yêu
c uầ
vi
đi uề
khi nể
ph iả
đ ngồ
th
iờ
t
ưngơ
tá
c
v iớ
nhi uề
thiế
t
bị
vào
ra.
Mộ
t ví
dụ
trong
ph nầ
này
sẻ
minh
h aọ
các
phưngơ
pháp
th
ực
t
ế
viế
t
ph nầ
m mề
cho các
ứng
dụng
hưngớ
đi uề
khiể
n, t
hành
ph nầ
chính
là
các
ngắ
t.
M cặ
dù
các
v
í
dụ
này

