
PHƯƠNG PHÁP SỐ
TRONG CÔNG NGHỆ HÓA
HỌC
Mã học phần: CH3454
TS. Nguyễn Đặng Bình Thành
BM:Máy & TBCN Hóa chất
Numerical Methods in Chemical Engineering
Tuần 8

Chương 1. Các phương pháp giải phương
trình và hệ phương trình
1.3 Ứng dụng
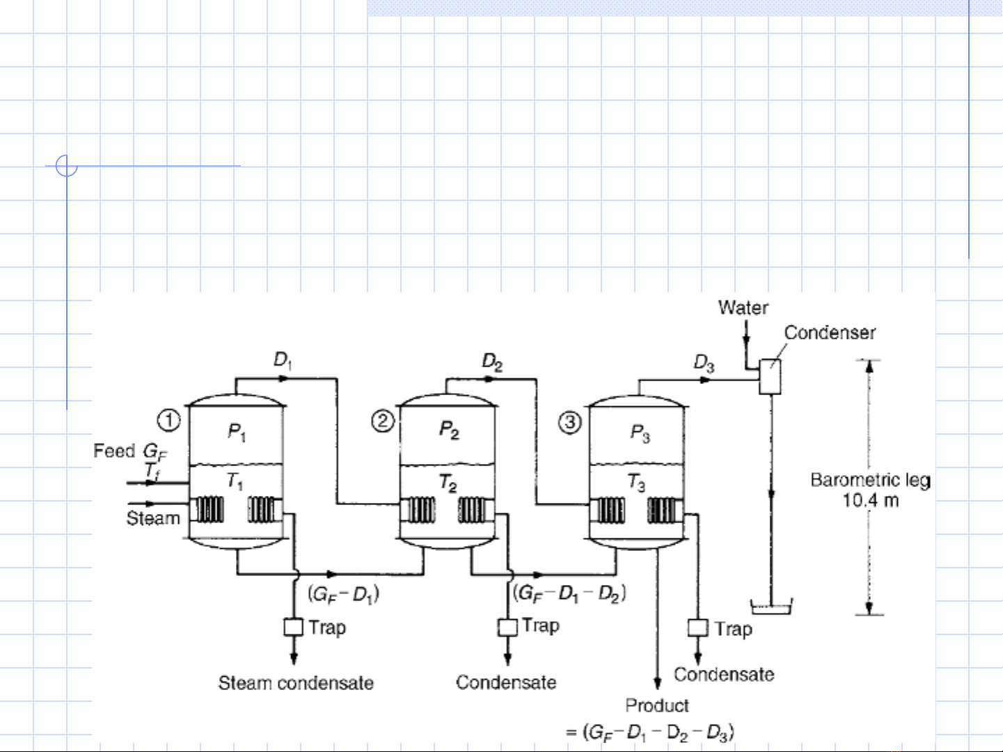
Tính toán h th ng thi t b cô đ cệ ố ế ị ặ

Chương 1. Các phương pháp giải phương
trình và hệ phương trình
1.3 Ứng dụng
Tính toán h th ng thi t b cô đ cệ ố ế ị ặ
đđđpđ
atCG ,,,
,
HH
IpD ,,
111,1
,,, atCG
sp
''
11
,,
p
CD
θ
222,2
,,, atCG
sp
cscpc
atCG ,,,
3,
11
'
11
,,,
HTHTp
ItCW
22
'
22
,,,
HTHTp
ItCW
33
'
33
,,,
HTHTp
ItCW
''
221
,,
p
CW
θ
''
333
,,
p
CW
θ

Chương 1. Các phương pháp giải phương
trình và hệ phương trình
1.3 Ứng dụng
Tính toán h th ng thi t b cô đ cệ ố ế ị ặ
Mục đích của việc tính toán hệ thống cô đặc (nhiều nồi liên tiếp –
multi-effect evaporation):
-Xác định các đại lượng D, W1, W2, W3 để đảm bảo
1) Nâng cao nồng độ dung dịch cần cô đặc từ ađ đến ac
2) Đảm bảo đủ khả năng trao đổi nhiệt từ hơi đốt D và hơi thứ
Wi trong từng thiết bị cô đặc.
-Dựa vào hai lựa chọn chính:
1) Diện tích bề mặt trao đổi nhiệt trong các thiết bị là bằng nhau
2) Tổng diện tích bề mặt trao đổi nhiệt là nhỏ nhất

Chương 1. Các phương pháp giải phương
trình và hệ phương trình
1.3 Ứng dụng
Tính toán h th ng thi t b cô đ cệ ố ế ị ặ
Cơ sở tính toán:
-Xây dựng phương trình cân bằng chất cho từng nồi và cho hệ
thống
-Xây dựng phương trình cân bằng nhiệt (năng lượng) cho từng
nồi và cho hệ thống
-Kết hợp với một số giả thiết nhằm đơn giản hóa mô hình
Hệ phương trình tuyến tính với các ẩn số: D, Wi

