
N i dungộ
Ch ng 1: Đi u khi n DC Motor ươ ề ể
1.1 Gi i thi u ho t đ ng DC motor ớ ệ ạ ộ
1.2Đi u khi n h ng chuy n đ ng dùng m ch c u Hề ể ướ ể ộ ạ ầ
1.3 Đi u khi n DC motor dòng nh (1A) dùng L293Bề ể ỏ
1.4 Đi u khi n DC motor dòng l n (2A) dùng L298ề ể ớ
1.5Đi u khi n t c đ DC Motor dùng ch nh đ r ng xung (Pulse Widthề ể ố ộ ỉ ộ ộ
Modulation -PWM)
1.6 Ph n c ng Pulse Width Modulation (PWM)ầ ứ
1.7 Ph n m m Pulse Width Modulation (PWM)ầ ề
Ch ng 2:ươ Dò đ ng tr ng dùng Sensor h ng ngo i (IR) ườ ắ ồ ạ
2.1 các đ c tính c a IR sensorặ ủ
2.2 IR Sensor đi u bi nề ế
Ch ng 3:ươ L p trình Robot t đ ngậ ự ộ
3.1 Ch y theo đ ng tr ngạ ườ ắ
3.2 Dò và đ m nh ng đ ng c t ế ữ ườ ắ

Ch ng 1: Đi u khi n DC Motor ươ ề ể
1.1 Gi i thi u ho t đ ng DC motor ớ ệ ạ ộ
Đ cho motor 1 chi u ho t đ ng, chúng ta c n đ t 1 đi n áp 1 chi u vào motor andể ề ạ ộ ầ ặ ệ ề
1 dòng đi n 1 chi u s ch y qua motor, motor s quay theo 1 chi u nào đó.ệ ề ẽ ạ ẽ ề
N u chúng ta đ i chi u c a đi n áp 1 chi u này, motor s quay ng c l iế ổ ề ủ ệ ề ẽ ượ ạ
Chú ý: đi n áp V và dòng I không nên v t quá giá tr đ c ghi trên motor, n uệ ượ ị ượ ế
không motor s b h ng. Tuy nhiên n u ta đ t 1 đi n áp th p h n V ho c 1 dòngẽ ị ỏ ế ặ ệ ấ ơ ặ
đi n th p h n I, thì t c đ và đ ch u t i c a motor s gi m theo.ệ ấ ơ ố ộ ộ ị ả ủ ẽ ả

1.2 Đi u khi n h ng chuy n đ ng dùng m ch c u H ề ể ướ ể ộ ạ ầ
Đ đi u khi n h ng quay c a motor 1 chi u, chúng ta c n đ t đi n áp lên motor.ể ề ể ướ ủ ề ầ ặ ệ
Có 1 m ch ph bi n dùng đ đi u khi n motor g i là c u H. Nó đ c g i nhạ ổ ế ể ề ể ọ ầ ượ ọ ư
v y b i vì m ch này trông gi ng hình ch ‘H’. M t trong nh ng kh năng c c hayậ ở ạ ố ữ ộ ữ ả ự
c a m ch này là nó cho phép đi u khi n motor ti n lên ho c lùi l i b t kỳ t c đủ ạ ề ể ế ặ ạ ở ấ ố ộ
nào, ngoài ra nó còn có th dùng 1 ngu n đi n đ c l p [1].ể ồ ệ ộ ậ
Khi đ u vào ‘Direction’ tr ng thái cao thì motor s chuy n sang ch đ h ngầ ở ạ ẽ ể ế ộ ướ
bình th ng. N u đ u vào ‘Direction’ tr ng thái th p thì motor s quay ng cườ ế ầ ở ạ ấ ẽ ượ
chi u.ề
Có r t nhi u lo i IC dùng cho m ch c u H. Lo i ph thông dùng cho motor dòngấ ề ạ ạ ầ ạ ổ
th p là L293B và motor dòng cao là L298.ấ
1.3 Đi u khi n DC motor dòng nh (1A) dùng L293Bề ể ỏ
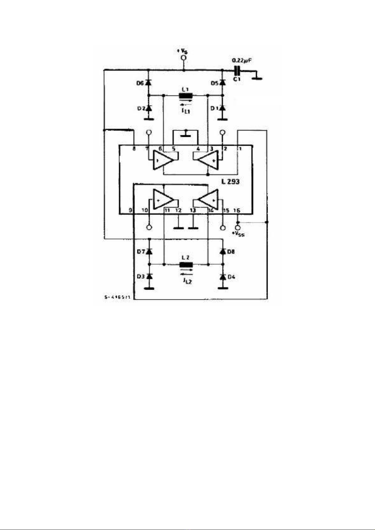
ng d ng đi n hình c a L293B đ c v trên hình d i [2]. Vs là đi n áp đ t vàoỨ ụ ể ủ ượ ẽ ướ ệ ặ
motor và có th lên t i 36V. Dòng l n nh t c a L293B có th lên t i 1A m i kênh.ể ớ ớ ấ ủ ể ớ ỗ
M t IC L293B có th dùng đ đi u khi n 2 motor. Đ u vào 2 và 7 dùng đ đi uộ ể ể ề ể ầ ể ề
khi n motor 1. Đ u 10 và 15 dùng đ đi u khi n motor 2. Diode D1 và D8 t o 1ể ầ ể ề ể ạ
m ch c p. L293B là m t IC ph thông có th mua các c a hàng đi n t (giáạ ặ ộ ổ ể ở ử ệ ử
kho ng 20 ngàn đ ng – tham kh o www.skynet.com.vn)ả ồ ả

Trong các robot t đ ng, chúng tôi s d ng con L293B đ đi u khi n motor r tráiự ộ ử ụ ể ề ể ẽ
và ph i. M ch đ c v trên hình d i đây. ả ạ ượ ẽ ướ
Trong s đ P1.1 và P1.3 là các tín hi u đi u khi n chi u motor t con vi s lýơ ồ ệ ề ể ề ừ ử
87C552. Nh ng tín hi u đi u khi n h ng này đ c t h p AND v i các tín hi uữ ệ ề ể ướ ượ ổ ợ ớ ệ
đi u bi n đ r ng xung PWM0 và PWM1 đ đi u khi n t c đ motor. Chúng tôiề ế ộ ộ ể ề ể ố ộ
s gi i thích vi c đi u khi n này trong m c sau.ẽ ả ệ ề ể ụ
Ngu n motor đ c cung c p vào chân 8 c a con L293B. Đi n áp th c t ph thu cồ ượ ấ ủ ệ ự ế ụ ộ
vào thông s c a motor, th ng t 9V đ n 12V. Robot m u này s d ng đi n ápố ủ ườ ừ ế ẫ ử ụ ệ
12V. Chân 16 đ c n i vào đi n áp 5V logic dùng làm ngu n IC.ượ ố ệ ồ
L1 và L2 tách ngu n nuôi L293B ra kh i h th ng. Chúng ho t đ ng gi ng nhồ ỏ ệ ố ạ ộ ố ư
nh ng b l c các tín hi u nhi u đ c sinh ra b i motor.ữ ộ ọ ệ ễ ượ ở


