
Khoa KTMT Vũ Đ c Lungứ1
Ch ng 7: Máy tr ng tháiươ ạ
Ch ng 7: Máy tr ng tháiươ ạ
Máy tr ng thái ki u Mooreạ ể
Máy tr ng thái ki u Mealyạ ể

Khoa KTMT Vũ Đ c Lungứ2
Khái ni m máy tr ng tháiệ ạ
Khái ni m máy tr ng tháiệ ạ
H tu n t ệ ầ ự ~ Máy tr ng thái thu t toán (algorithmic state ạ ậ
machine) ~ Máy tr ng thái (State Machine - SM)ạ
–Gi n đ tr ng tháiả ồ ạ
–L u đ SMư ồ
Dùng đi u khi n m t HTS th c hi n t ng b c m tề ể ộ ự ệ ừ ướ ộ
State Machine
MOORE
Q+ = f(Q,X)
Z = g(Q)
MEALY
Q+ = f(Q,X)
Z = g(Q, X)

Khoa KTMT Vũ Đ c Lungứ3
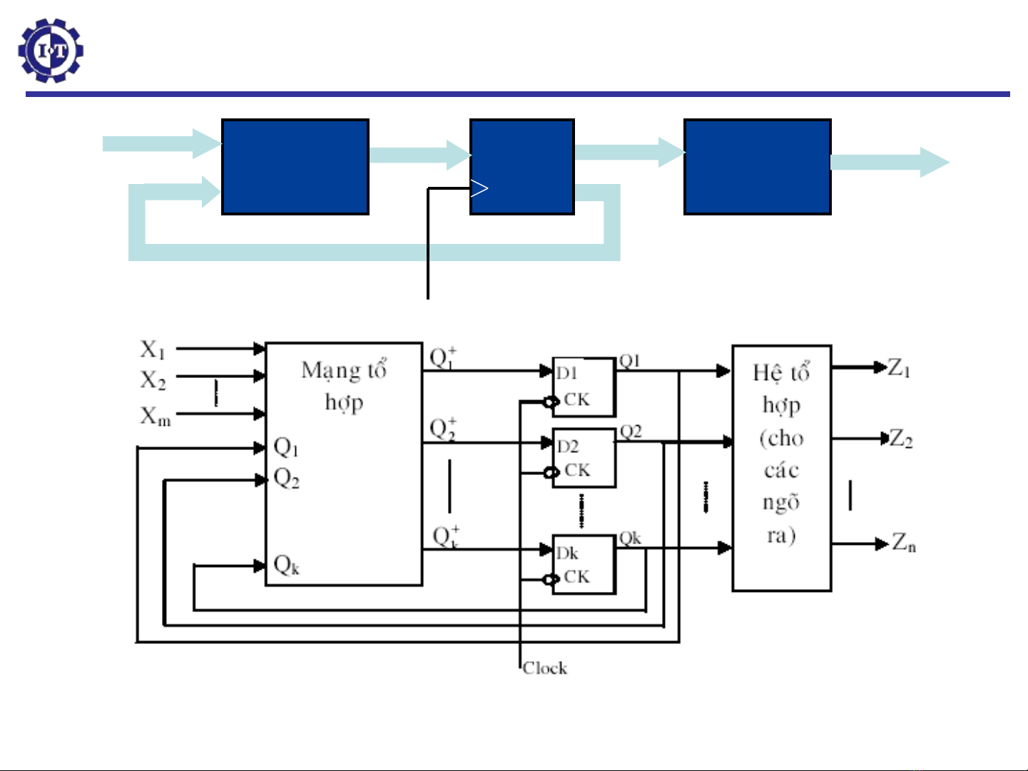
Máy MOORE
Máy MOORE
M ch Logic ạ
M ch Logic ạ
t h pổ ợ
t h pổ ợ M ch Logic ạ
t h pổ ợ
FF
Clock
X
XZ
Z

Khoa KTMT Vũ Đ c Lungứ4
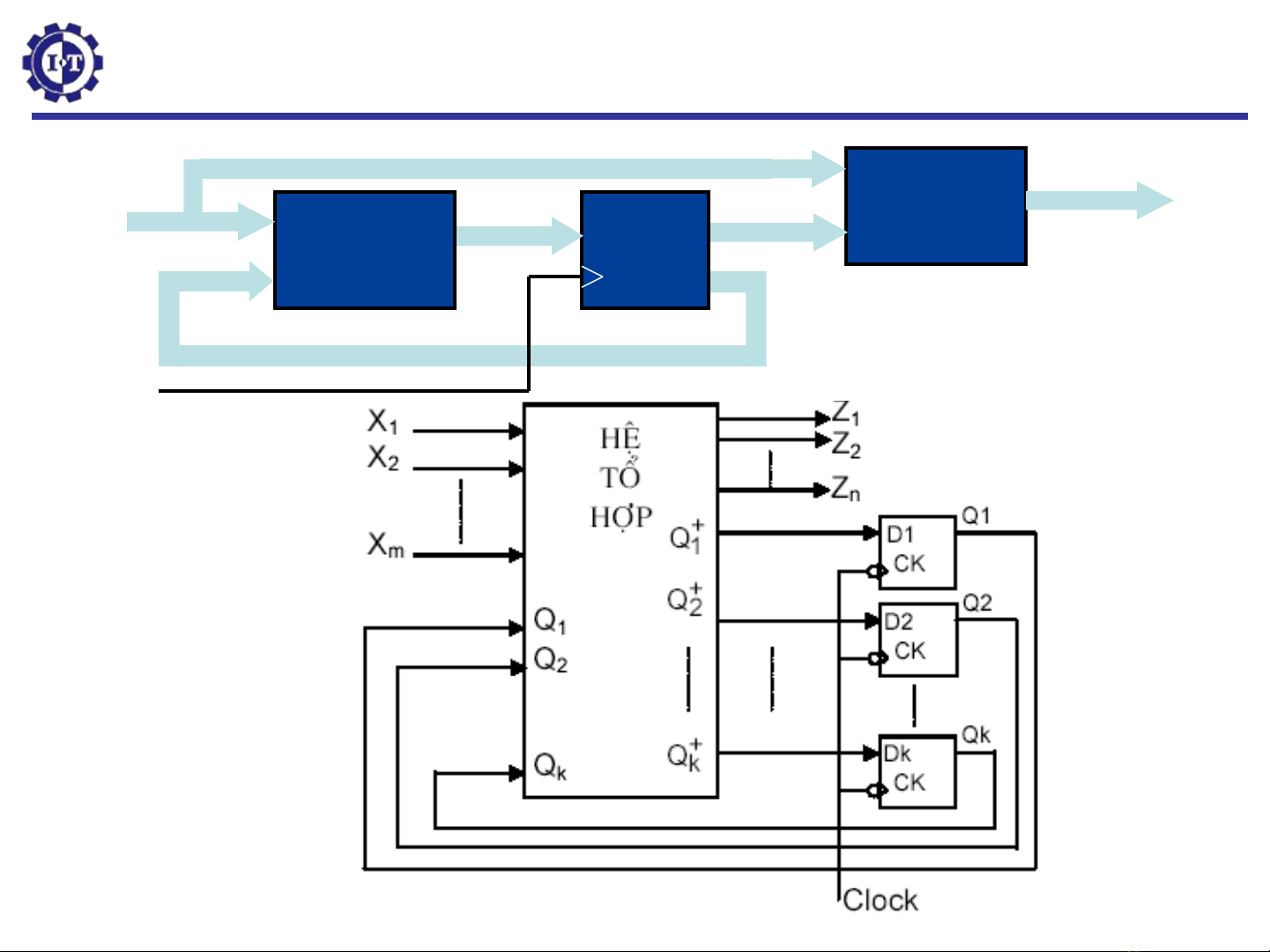
Máy MEALY
Máy MEALY
M ch Logic ạ
t h pổ ợ
M ch Logic ạ
t h pổ ợ
FF
Clock
X
XZ
Z

Khoa KTMT Vũ Đ c Lungứ5
L u đ máy tr ng tháiư ồ ạ
L u đ máy tr ng tháiư ồ ạ
Các thành ph n chính c a l u đ SMầ ủ ư ồ
Output List
010
S0
Đi u ki nề ệ
X
10
H p tr ng tháiộ ạ
H p đi u ki nộ ề ệ
Output list
H p xu t theo đi u ki nộ ấ ề ệ

