
XÁC ĐNH KH I L N HÀNG HÓA B NG PH NG PHÁP XÁC ĐNHỊ Ố ƯỢ Ằ ƯƠ Ị
M N N CỚ ƯỚ
1. M T S KHÁI NI M C B NỘ Ố Ệ Ơ Ả
1.1. Đnh nghĩa:ị
Xác đnh kh i l ng hàng t i tàu b ng ph ng pháp đo m n n c làị ố ượ ạ ằ ươ ớ ướ
ph ng pháp dùng trong hàng h i nh m xác đnh kh i l ng hàng hóa trên tàuươ ả ằ ị ố ượ
b ng cách so sánh, đi chi u l ng chi m n c c a tàu lúc có hàng và lúc khôngằ ố ế ượ ế ướ ủ
có hàng d a vào nguyên lý Archimet.ự
Theo nguyên lý Archimet: Kh i l ng c a m t v t n i tuy n tinh trongố ượ ủ ộ ậ ổ ế
n c (W) đc xác đnh theo công th c sau:ướ ượ ị ứ
W = LxBxdxγ
L: Chi u dài (Length); B: Chi u r ng (Breath);ề ề ộ
d: Chi u chìm (draft) ; ềγ: T tr ng n c (Water density)ỷ ọ ướ
Do tàu là m t đn v phi tuy n tính cho nên th tích chi m n c c a con ộ ơ ị ế ể ế ướ ủ
tàu ph i d a vào đng cong th y tĩnh ho c b ng th y tĩnh.ả ự ườ ủ ặ ả ủ
1

L ng chi m n c theo lý thuy t này d a trên t tr ng n c tiêu chu nượ ế ướ ế ự ỷ ọ ướ ẩ
(Thông th ng là ườ γ = 1.025g/cm3). T i m i giá tr chi u chìm c a tàu, ta sạ ỗ ị ề ủ ẽ
đc giá tr l ng chi m n c t ng ng.ượ ị ượ ế ướ ươ ứ
2

1.2. M n n c mũi, m n n c lái, m n n c gi aớ ướ ớ ướ ớ ướ ữ
Nhi u tính năng hàng h i c a tàu có liên quan đn m n n c (draft)ề ả ủ ế ớ ướ
M t con tàu có các thông s đo m n n c nh sau:ộ ố ớ ướ ư
a. M n n c mũi dớ ướ f (draft forward)
Là chi u cao m n n c trên đng vuông góc mũi c a tàu, đo t đngề ớ ướ ườ ủ ừ ườ
n c WL đn đng c b n (base line, keel line)ướ ế ườ ơ ả
b. M n n c lái dớ ướ a (draft afterward)
Là chi u cao m n n c trên đng vuông góc lái c a tàu, đo t đngề ớ ướ ườ ủ ừ ườ
n c WL đn đng c b n (base line, keel line)ướ ế ườ ơ ả
c. M n n c gi a dớ ướ ữ o (draft midships)
Là chi u cao m n n c đo trên đng th ng đng t i đi m gi a haiề ớ ướ ườ ẳ ứ ạ ể ữ
đng th ng đng mũi và lái, đo t đng n c WL đn đng c b n (baseườ ẳ ứ ừ ườ ướ ế ườ ơ ả
line, keel line)
Đng th ng đng lái và đng th ng đng mũi là hai đng th ng giườ ẳ ứ ườ ẳ ứ ườ ẳ ả
đnh không nhìn th y đc, trùng v i mép tr c tr đng mũi và mép sau trị ấ ượ ớ ướ ụ ứ ụ
đng láiứ
Trong khai thác, tàu có th nghiêng d c, nghiêng ngang, ho c có th b võngể ọ ặ ể ị
ho c v ng làm cho m n n c hai bên m n không gi ng nhauặ ồ ớ ướ ạ ố
1.3 Hi u m n n cệ ớ ướ
3

Hi u m n n c (Trim), ký hi u t, là hi u s gi a m n n c mũi và m nệ ớ ướ ệ ệ ố ữ ớ ướ ớ
n c lái c a tàu, còn g i là chênh l ch m n n c. N u m n n c lái l n h nướ ủ ọ ệ ớ ướ ế ớ ướ ớ ơ
m n n c mũi thì t mang d u (-) và g i là tàu chúi lái (trim by stern); ng c l i,ớ ướ ấ ọ ượ ạ
n u m n n c mũi l n h n m n n c lái thì t mang d u (+) và g i là tàu chúiế ớ ướ ớ ơ ớ ướ ấ ọ
mũi (trim by head); m n n c mũi và lái cân b ng nhau thì g i là cân b ng d cớ ướ ằ ọ ằ ọ
(even keel)
1.4 Thông s chi u d c tàuố ề ọ
Chi u dài toàn b (Length over All - L.O.A): Là chi u dài l n nh t tính ề ộ ề ớ ấ
theo chi u d c tàu. ề ọ
Chi u dài tính toán (Length between Perpendicular - L.B.P): là kho ng cáchề ả
gi a hai đng th y tr c mũi (FP) và th y tr c lái (AP).ữ ườ ủ ự ủ ự
Đng Th y tr c mũi / (Forward ườ ủ ự perpendicular): Là đng th ng vuông ườ ẳ
góc v i ki tàu (or base line) và đi qua giao đi m gi a s ng mũi tàu v i m n n c ớ ể ữ ố ớ ớ ướ
thi t k mùa hè.ế ế
Đng Th y tr c lái / (Aft perpendicular): Là đng th ng vuông góc v i ườ ủ ự ườ ẳ ớ
ki tàu (or base line) và đi qua tr c a bánh lái tàu.ụ ủ
Chi u dài gi a hai th c đc m n n c mũi và lái – Lmm / Lengthề ữ ướ ọ ớ ướ
between draft marks): Kho ng cách này ch có ý nghĩa ph tr cho vi c tính toán.ả ỉ ụ ợ ệ
Trong m t s tr ng h p đc bi t nó có th thay đi đ l n theo v trí k th cộ ố ườ ợ ặ ệ ể ổ ộ ớ ị ẻ ướ
đc m n n c.ọ ớ ướ
1.5 M n n c (Draft):ớ ướ
M n n c là kho ngớ ướ ả
cách tính theo ph ng th ngươ ẳ
đng t mép ngoài c a s ngứ ừ ủ ố
chính (keel) t i m t ph ngớ ặ ẳ
đng n c quanh tàu.ườ ướ
4

Trong vi c xây d ng các b ng tính toán th y tĩnh đôi khi ng i ta dùngệ ự ả ủ ườ
đn “M n n c đnh hình- ế ớ ướ ị Moulded draft). các tính toán th y tĩnh, m n n cỞ ủ ớ ướ
ph i đc l y t 03 v trí đc bi t: m t ph ng th y tr c mũi, M t ph ngả ượ ấ ừ ị ặ ệ Ở ặ ẳ ủ ự ặ ẳ
th y tr c lái, và m t ph ng s n gi a tàu.ủ ự ặ ẳ ườ ữ
Air Draft / M n n i: Là kho ng cánh tính t đng m n n c (mép n c)ớ ổ ả ừ ườ ớ ướ ướ
t i đnh c t cao nh t c a tàu.ớ ỉ ộ ấ ủ
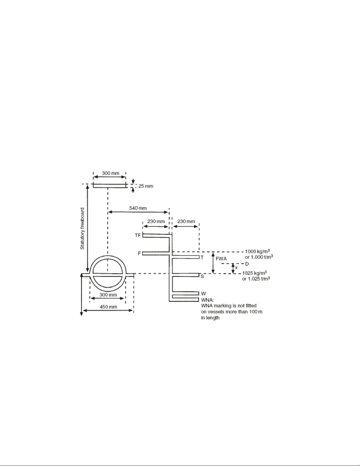
1.6 D u chuyên chấ ở (Load lines & Plimsoll Marks): Là t p h p các ký ậ ợ
hi u chuyên ngành hàng h i th hi n m n n c t i đa hay m n khô t i thi u ệ ả ể ệ ớ ướ ố ạ ố ể
c a tàu khi hàng h i các vùng n c và vùng khí h u t ng ngủ ả ở ướ ậ ươ ứ
1.7. C u t o th c đc m n n cấ ạ ướ ọ ớ ướ
Th c đc m n n c th ng đc kh c b ng ch s Arap trên h mét.ướ ọ ớ ướ ườ ượ ắ ằ ữ ố ệ
Tuy nhiên m t s ít thì l i dùng ch s La mã và h Anh (feed inch). V n đ làộ ố ạ ữ ố ệ ấ ề
khi ti p c n m t tàu c th thì ng i s d ng ph i xem b ng thu tĩnh đc l pế ậ ộ ụ ể ườ ử ụ ả ả ỷ ượ ậ
theo h gì đ quy đi m n n c v h đó.ệ ể ổ ớ ướ ề ệ
5

