
CỘNG HOÀ XÃ HỘI CHỦ NGHĨA VIỆT NAM
Độc lập - Tự do - Hạnh phúc
ĐỀ THI TỐT NGHIỆP CAO ĐẲNG NGHỀ KHOÁ 3 (2009 - 2012)
NGHỀ: ĐIỆN TỬ CÔNG NGHIỆP
MÔN THI: LÝ THUYẾT CHUYÊN MÔN NGHỀ
Mã đề thi: ĐTCN - LT 16
Hình thức thi: Viết
Thời gian: 180 Phút (Không kể thời gian chép/ giao đề thi)
ĐỀ BÀI
Câu 1 (2điểm):
Phân tích, thiết kế bộ mã hóa 8 đầu vào - 3 đầu ra sử dụng cổng logic. Ứng với
một đầu vào tích cực là một mã ngõ ra.
Câu 2 (2điểm):
Cho mạch chỉnh lưu cầu một pha có điều khiển, biên độ áp vào cực đại 300V,
góc kích α = 900, tải thuần trở R.
a. Vẽ sơ đồ mạch và dạng sóng điện áp vào, điện áp ra trên tải.
b. Tính điện áp ra trung bình trên tải.
Câu 3 (3điểm):
Trình bày các chế độ hoạt động của timer trong vi điều khiển. Viết chương
trình sử dụng timer tạo đồng thời hai xung vuông 1KHz và 500 Hz tại 2 chân P0.0 và
P0.1 của vi điều khiển. Biết vi điều khiển có bộ dao động ngoài tần số thạch anh là
12MHz.
Câu 4 (3điểm): (phần tự chọn, các trường tự ra đề)
………………., ngày ……. tháng ……. năm …………
Duyệt Hội đồng thi tốt nghiệp Tiểu ban ra đề thi

1
CỘNG HOÀ XÃ HỘI CHỦ NGHĨA VIỆT NAM
Độc lập - Tự do - Hạnh phúc
ĐÁP ÁN
ĐỀ THI TỐT NGHIỆP CAO ĐẲNG NGHỀ KHOÁ 3 (2009 - 2012)
NGHỀ: ĐIỆN TỬ CÔNG NGHIỆP
MÔN THI: LÝ THUYẾT CHUYÊN MÔN NGHỀ
Mã đề thi: DA ĐTCN - LT 16
Câu
NỘI DUNG ĐIỂM
I. Phần bắt buộc
1
Xét mạch mã hóa nhị phân từ 8 sang 3 ( 8 ngõ vào, 3 ngõ ra).
Trong đó:
X0, X1, ….,X7 là các ngõ vào tín hiệu
A, B, C là các ngõ ra
Mạch mã hóa nhị phân thực hiện biến đổi tín hiệu ngõ vào thành một từ mã
nhị phân tương ứng ở ngõ ra, cụ thể như sau
0→ 000 2→ 010 4→ 100 6 → 110
1→ 001 3→ 011 5→ 101 7 → 111
Chọn mức tác động (tích cực) ở ngõ vào là mức logic 1, ta có bảng trạng
thái mô tả hoạt động của mạch bảng 4.1:
0,5
đ
0,5đ

2
Giải thích bảng trạng thái: Khi một ngõ vào ở trạng thái tích cực (mức logic
1) và các ngõ vào còn lại không được tích cực (mức logic 0) thì ngõ ra xuất hiện
từ mã tương ứng. Cụ thể là: khi ngõ vào x0=1 và các ngõ vào còn lại bằng không
thì từ mã ở ngõ ra là 000, khi ngõ vào x1=1 và các ngõ vào còn lại bằng không thì
từ mã ở ngõ ra là 001, vv…
Phương trình logic tối giản:
Sơ đồ logic
0,5đ
0,5đ

3
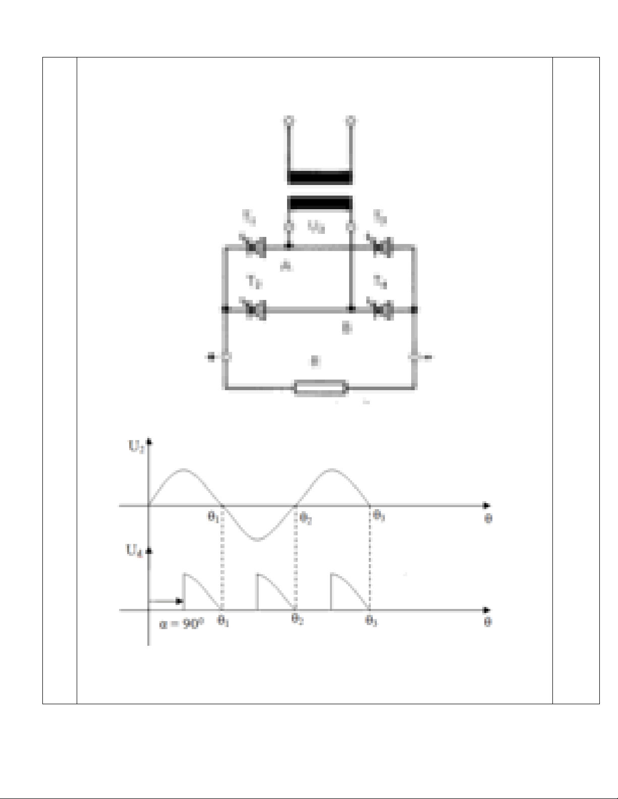
2 a. Sơ đồ mạch và dạng sóng điện áp vào, điện áp ra trên tải
+ Sơ đồ mạch
+ Dạng sóng điện áp vào, điện áp ra trên tải
b. Điện áp ra trung bình trên tải
0,75
đ
0,75đ
0,5đ

4
Ud = U2(1+cos ) = .300(1+cos900) = .300(1+0) = 135V
3 - Chế độ timer 13 bít (mode 0)
Chế độ này nhằm tương thích vớI họ vi điều khiển trước của 8051 là 8048
(hình4.2a). Trong chế độ này thanh ghi định thờI byte cao THx được nốI tiếp vớI
5 bít thấp của thanh ghi TLx để tạo thành bộ định thờI 13 bít, 3 bít cao của TLx
không dùng.
- Chế độ timer 16 bít (mode 1)
Cũng giống như mode 0, xung đồng hồ được đưa vào cặp thanh ghi định
thời TLx/THx, khi có xung đồng hồ timer sẻ đếm lên từ 0000H, 0001H,
0002H…Hiện tượng tràn sẻ xảy ra khi số đếm từ giá trị FFFFH chuyển sang
0000H và sẻ làm cờ tràn bị set và timer tiếp tục đếm.
Cờ tràn là biến TFx trong thanh ghi điều khiển TCON, cờ này được đọc và
ghi bằng phần mềm. Bít có giá trị cao nhất của timer là bít 7 trong thanh ghi THx
và bít
thấp nhất blà bít 0 trong thanh ghi TLx, cặp thanh ghi định thờI TLx/THx có thể
được đọc hoặc ghi bằng phần mềm tạI bất kỳ lúc nào.
0,25
đ
0,5đ
0,25đ
0,25đ

